| 提交詢價信息 |
| 發布緊急求購 |
價格:電議
所在地:江蘇 淮安市
型號:HTAA-YC型 音叉式液位開關
更新時間:2015-07-13
瀏覽次數:1601
公司地址:江蘇金湖工業園區工二路8號0517-86996368 86997736
![]()
丁經理(先生) 經理
一.原理
HTAA-YC型音叉式液位開關是一種的液位開關。音叉由晶體激勵產生振動,當音叉被液體浸沒時振動頻率發生變化,這個頻率變化由電子線路檢測出來并輸出一個開關量。 音叉式液位開關又被稱作“電氣浮子“凡使用浮球液位開關和由于結構、湍流、攪動、氣泡、振動 等原因導致不能使用浮球液位開關的場合均可使用“電氣浮子”。由于音叉液位開關無活動部件,因此無須維 護和調整,是浮球液位開關的升級換代產品。 本系列產品經儀器儀表防爆安全監督檢驗站(NEPSI)認可,防爆 標志分別為:“dIIBT4和iaIIBT4,防爆合格證號分別為:GYB98180和GYB97316A”,可適用于相應爆炸性危險場所。
二.應用范圍
音叉限位開關可以任何方向安裝于液體罐、液體槽上用于液位的上下限位報警或控制, 亦可安裝于管道上防止泵的無料運行。
。自來水、礦泉水
。紙漿、膠水、染料
。廢水、泥漿
。酸、堿溶液可產生氣體的液體
。柴油等危險場所
三.產品特點
1.免于維護
由于音叉限位開關的檢測過程由電子電路完成,無活動部件,所以一經安裝投運使用便不需要維護。
2.適應性強
被測液體不同的電參數、密度對測量均不產生影響。結垢、攪動、湍流、氣泡、振動、中等粘度、高溫、高壓等惡劣條件對檢測也無影響。
3.不需調校
由于音叉限位開關的檢測不受被測介質電參數及密度的影響,所以無論測量何種液體都不需現場調校。
四.主要技術指標
1、供電電壓
直流24V或l2-55V(本安型用DC24v);交流25V~250V50Hz
2、工作溫度
儀表:-20℃~45℃
叉體:常溫型-20℃~60℃
中溫型-20℃~120℃
3、輸出方式
直流24供電時為繼電器輸出(AC220V0.);直流l2~55V供電時為集電開路輸出;(350mA,本安型產品≤50mA);交流25~250V供電時為兩線制輸出 (220V,4.4W~77W)。
4、功耗
直流供電時0.25W(24V時);交流供電時1.5W(220V時)
5、本安型
防爆標志∶iaⅡBT4;防爆證號∶GYB97316A;關聯設備∶LB879。
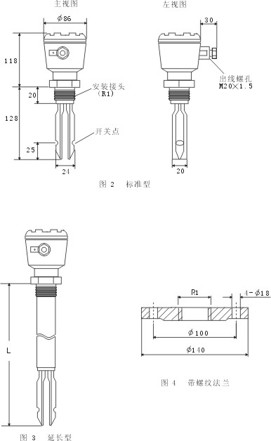
五.外型尺寸及安裝方式

六.端子圖及系統連線
有以下三種方式:

七.本安防爆型產品的現場接線

八.型號編制及說明

免責聲明:以上所展示的[HTAA-YC型 音叉式液位開關 HTAA-YC型 音叉式液位開關]信息由會員[江蘇匯通儀表有限公司]自行提供,內容的真實性、準確性和合法性由發布會員負責。