產品簡介
一.原理 HTAA-YC型音叉式液位開關是一種的液位開關。音叉由晶體激勵產生振動,當音叉被液體浸沒時振動頻率發生變
公司簡介
江蘇匯通儀表有限公司
js.com">www.htyb
js.com 多年來始終堅持走“自主研發,優化創新,市場為導向”的革新之路。經過不懈的努力和發展,企業技術力量雄厚,擁有比較完善的生產工藝,在產品開發和設計方面都具有較強的能力。企業以優良的產品質量,極高的性能價格比和良好的售后服務與信譽,向用戶提供各種質量可靠、性能優良的熱工儀表、液位儀表、流量儀表、物位儀表、智能IC卡燃氣表和遠傳表集抄系統、特種電線、電纜等系列產品。產品種類齊全,能夠滿足用戶在不同介質、不同環境條件下的測量選擇,為客戶提供選型、設計、生產、調試等服務,同時提供現場改造的全面技術支持。產品遍及全國各地及國外企業,廣泛應用于石油、電力、石化、熱力、發電、冶金、化工、自來水、造紙、造船等各領域中。 聯系人:丁經理
企業已通過 ISO9001:2000國際質量體系認證,并完全按照國家標準建立健全質量管理。多次被評為“十佳信譽知名企業”,連續多年被授予“明星式企業”和“重合同守信用單位”。
企業攜全體員工將一如既往地堅持“質量第一、信譽至上、開拓進取、貢獻社會”的企業理念,發揚“高品質、講誠信、勇于創新”的企業精神,讓每位顧客滿意,為客戶提供優質服務是我們服務目標, 重事業驅動、重團隊精神、重實際能力是我們用人原則,為廣大新老客戶提供優質的產品及全面的服務,與客戶共同創造美好的未來!
展開
產品說明
|
一.原理
HTAA-YC型音叉式液位開關是一種的液位開關。音叉由晶體激勵產生振動,當音叉被液體浸沒時振動頻率發生變化,這個頻率變化由電子線路檢測出來并輸出一個開關量。 音叉式液位開關又被稱作“電氣浮子“凡使用浮球液位開關和由于結構、湍流、攪動、氣泡、振動 等原因導致不能使用浮球液位開關的場合均可使用“電氣浮子”。由于音叉液位開關無活動部件,因此無須維 護和調整,是浮球液位開關的升級換代產品。 本系列產品經儀器儀表防爆安全監督檢驗站(NEPSI)認可,防爆 標志分別為:“dIIBT4和iaIIBT4,防爆合格證號分別為:GYB98180和GYB97316A”,可適用于相應爆炸性危險場所。
二.應用范圍
音叉限位開關可以任何方向安裝于液體罐、液體槽上用于液位的上下限位報警或控制, 亦可安裝于管道上防止泵的無料運行。
。自來水、礦泉水
。紙漿、膠水、染料
。廢水、泥漿
。酸、堿溶液可產生氣體的液體
。柴油等危險場所
三.產品特點
1.免于維護
由于音叉限位開關的檢測過程由電子電路完成,無活動部件,所以一經安裝投運使用便不需要維護。
2.適應性強
被測液體不同的電參數、密度對測量均不產生影響。結垢、攪動、湍流、氣泡、振動、中等粘度、高溫、高壓等惡劣條件對檢測也無影響。
3.不需調校
由于音叉限位開關的檢測不受被測介質電參數及密度的影響,所以無論測量何種液體都不需現場調校。
四.主要技術指標
1、供電電壓
直流24V或l2-55V(本安型用DC24v);交流25V~250V50Hz
2、工作溫度
儀表:-20℃~45℃
叉體:常溫型-20℃~60℃
中溫型-20℃~120℃
3、輸出方式
直流24供電時為繼電器輸出(AC220V0.);直流l2~55V供電時為集電開路輸出;(350mA,本安型產品≤50mA);交流25~250V供電時為兩線制輸出 (220V,4.4W~77W)。
4、功耗
直流供電時0.25W(24V時);交流供電時1.5W(220V時)
5、本安型
防爆標志∶iaⅡBT4;防爆證號∶GYB97316A;關聯設備∶LB879。
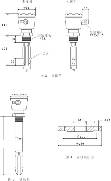
五.外型尺寸及安裝方式

六.端子圖及系統連線
有以下三種方式:

七.本安防爆型產品的現場接線

八.型號編制及說明

|
| |
本頁產品地址:http://m.521uz.com/sell/show-2335037.html