| 提交詢價信息 |
| 發布緊急求購 |
價格:電議
所在地:河南 鄭州市
型號:MPM489(0-1MPA)E22C1
更新時間:2021-10-18
瀏覽次數:1838
公司地址:中原區秦嶺路與建設路陽光新干線
![]()
張女士(女士)
麥克傳感器代理MDM492,MDM490,MDM460,MDM484,MDM484ZL,MDM484A,MDM3051,MDM4951,MPM580
麥克傳感器代理MPM582,MFM500,MPM583,MSB9438,MSB9418,MSB9458,MDM4951LT,MDM4951DPU,MDM4951GPU
麥克傳感器代理MDM4951DP,MDM4951DR,MDM4951HP,MDM4951DP,MDM4951HP,MDM4951GP,MDM4951AP
產品概述
MPM489型壓阻式壓力變送器是我公司研制生產的一種零點和滿量程輸出可以調校的壓阻式壓力變送器。它選用高穩定性和高可靠性的壓阻式壓力傳感器和高性能的變送器專用電路,整體性能穩定可靠。廣泛適用于石油、化工、電力、水文、地質等行業的流體壓力的檢測和控制。

產品特點
·性能可靠,安全使用方便
·具有短路保護和反性保護
·可測量表壓、壓和密封參考壓力
·本質安全型產品,符合GB3836.4標準的ExiaⅡCT6的要求
·船用型產品符合CCS《鋼制海船入級規范》(2006)的要求
·產品已取得CE認證和RoHS認證
性能參數
測量范圍:-0.1…0~0.01…100MPa
過 載:1.5倍滿量程壓力或110MPa(取zui小值)
壓力類型:表壓或壓或密封表壓型
精 度:±0.5%FS
長期穩定性:zui大±0.3%FS/年
零點溫度漂移:0.1%FS/℃(≤100kPa); 0.05%FS/℃(>100kPa)
滿度溫度漂移:0.1%FS/℃(≤100kPa); 0.05%FS/℃(>100kPa)
補償溫度:0℃~50℃
工作溫度:-30℃~80℃,本安型:-10℃~60℃ 隔爆型:-20℃~60℃
貯存溫度:-40℃~120℃
供電電源:11~28VDC(本安型經安全柵供電)
輸出信號:4~20mADC (二線制) , 0/1~5VDC (三線制)
負載電阻:≤(U-10)/0.02Ω (二線制), ≥10k(三線制)
外殼防護:IP65
電氣連接:接插件或電纜線
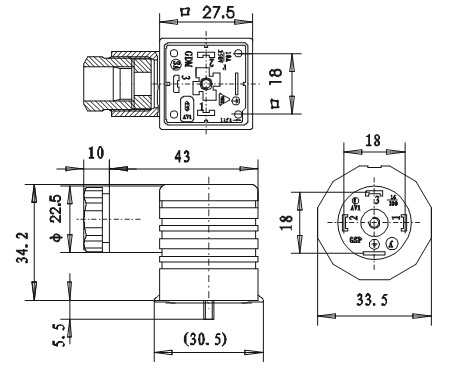
外形結構
結構材料:
外殼:不銹鋼 1Cr18Ni9Ti
傳感器殼體:不銹鋼1Cr18Ni9Ti
波紋膜片:不銹鋼316L
密封圈:氟橡膠
接插件外殼:塑料
電纜:Φ7.5mm聚乙烯專用電纜

電氣連接
變送器與外部電路通過DIN43650進口防爆插頭座進行電氣連接。
插腳的端子定義如下:
|
插腳
|
二線
|
三線
|
|
1
|
電源正:+V
|
正電源:+V
|
|
2
|
信號:+OUT
|
公共端:GND
|
|
3
|
空
|
信號:+OUT
|
|
電纜顏色
|
二線
|
三線
|
|
黑色
|
電源正:+V
|
電源正:+V
|
|
紅色
|
電源負:0V
|
輸出正:+OUT
|
|
白色
|
空
|
公共端:GND
|

選型指南
|
MPM489 |
型壓阻式壓力變送器 |
|||||
|
量程 |
測量范圍-0.1…0~0.01…100MPa |
|||||
|
[0~X]kPa或MPa |
X:實際測量量程 |
|||||
|
代號 |
輸出信號 |
|||||
|
E |
4~20mADC |
|||||
|
F |
1~5VDC |
|||||
|
J |
0~5VDC |
|||||
|
代號 |
結構材料 |
|||||
|
隔離膜片 |
接口 |
殼體 |
||||
|
22 |
不銹鋼316L |
不銹鋼 |
不銹鋼 |
|||
|
25 |
鉭 |
不銹鋼 |
不銹鋼 |
|||
|
35 |
鉭 |
哈氏合金 |
不銹鋼 |
|||
|
代號 |
附加功能 |
|||||
|
B1 |
接插件電氣連接 |
|||||
|
P |
齊平膜片型,可供量程0~70kPa…35MPa |
|||||
|
M3 |
3 1/2位LCD數顯表頭 |
|||||
|
M4 |
3 1/2位LED數顯表頭 |
|||||
|
i |
本安防爆型ExiaⅡCT6 |
|||||
|
T |
船用產品 |
|||||
|
C1 |
M20×1.5外螺紋壓力接口,端面密封 |
|||||
|
C3 |
G1/2外螺紋壓力接口(適用P型) |
|||||
|
C5 |
M20×1.5外螺紋壓力接口,水線密封 |
|||||
|
G |
表壓型 |
|||||
|
S |
密封表壓型 |
|||||
|
A |
壓型 |
|||||
|
MPM489 |
[0~100kPa] |
E |
22 |
B1C5G |
完整的型號規格 |
|
選型提示
1、選型時請注意被測介質要與產品與介質相接觸的部分相兼容。
2、若需要訂購非標準或特殊要求的產品,請與本公司商洽并在訂單上注明。
3、訂貨時請注意防爆型產品和船用產品不包含數顯表頭M3、M4。
4、隔爆型產品無0~5VDC輸出形式。
麥克傳感器MDM492,MDM490,MDM460
麥克傳感器代理MPM280,MPM281,MPM282,MPM283,MDM290,MPM380,MPM316W,MDM390,MPM388
麥克傳感器代理MPM416WRK,MPM426WJ,MPM426W/416W,MPM436W,MPM416WK,MPM480,MPM430
麥克傳感器代理MPM4530,MTM,MPM482,MPM483,MPM4730,MPM4760,MPM4700,MPM484A/MDM484A
麥克傳感器代理MPM462,MPM486,MPM484ZL/MDM484ZL,MPM484/MDM484,MPM460,MPM460W,MDM460
麥克傳感器代理MDM492,MDM490,MDM460,MDM484,MDM484ZL,MDM484A,MDM3051,MDM4951,MPM580
麥克傳感器代理MPM582,MFM500,MPM583,MSB9438,MSB9418,MSB9458,MDM4951LT,MDM4951DPU,MDM4951GPU
麥克傳感器代理MDM4951DP,MDM4951DR,MDM4951HP,MDM4951DP,MDM4951HP,MDM4951GP,MDM4951AP
麥克傳感器MPM280,MPM281,MPM282
麥克傳感器MPM283,MDM290,MPM380
麥克傳感器MPM316W,MDM390,MPM388
麥克傳感器MPM416WRK,MPM426WJ
麥克傳感器MPM426W/416W,MPM436W
麥克傳感器MPM416WK,MPM480,MPM430
麥克傳感器MPM4530,MTM,MPM482,MPM483
麥克傳感器MPM4730,MPM4760,MPM4700
麥克傳感器MPM484A/MDM484A,,MPM484/MDM484
麥克傳感器MPM462,MPM486,MPM484ZL/MDM484ZL
麥克傳感器MPM460,MPM460W,MDM460
麥克傳感器MDM492,MDM490,MDM460,
麥克傳感器MSB9438,MSB9418,MSB9458
麥克傳感器MDM4951LT,MDM4951DPU,MDM4951GPU
麥克傳感器MDM4951DP,MDM4951DR,MDM4951HP
麥克傳感器MDM4951DP,MDM4951HP
麥克傳感器MDM4951GP,MDM4951AP
麥克傳感器MDM492,MDM490,MDM460
麥克MPM4700液位變送器
麥克MPM416W投入式液位變送器
麥克MPM416WK型鎧裝插入式液位變送器
麥克MPM316W型壓阻式液位傳感器
麥克MPM426W型投入式液位變送器
麥克MPM460W多功能智能液位變送控制器
麥克MPM436W投入式液位變送器
麥克MPM489W液位變送器
麥克MPM380壓力傳感器
麥克MPM388壓力傳感器
麥克MPM388壓力傳感器
麥克MPM430壓力變送器
麥克MPM480壓力變送器
麥克MPM4730壓力變送器
麥克MPM4760壓力變送器
麥克MPM489壓力變送器
麥克MPM482型LCD數字顯示壓力變送器
麥克MPM4120 壓縮機專用壓力傳感器
麥克MPM483壓力變送器
麥克MPM486型 HART?協議智能壓力變送器
麥克MPM484壓力變送控制器
麥克MPM460多功能智能壓力變送控制器
麥克MPM484A/ZL型數字化壓力變送控制器
麥克MPM380型壓力傳感器
麥克MPM388型壓力傳感器
麥克MPM430型壓力變送器
麥克MPM480型壓力變送器
麥克MPM4730型壓力變送器
麥克MPM4760型壓力變送器
麥克MPM489型壓力變送器
麥克MPM482型LCD數字顯示壓力變送器
麥克MPM4120壓縮機專用壓力傳感器
麥克MPM483型壓力變送器
麥克MPM486型智能壓力變送器
麥克MPM484型壓力變送控制器
麥克MPM460型智能壓力變送控制器
麥克MPM484A/ZL型數字化壓力變送控制器
麥克MPM4530型壓力變送器
麥克MPM4528高溫壓力測量
麥克MPM489B型壓力變送器
麥克MDM3051GP型壓力變送器
麥克MDM3051AP型壓力變送器
麥克MDM3051GP/DP型遠傳壓力差壓變送器
麥克MDM4951GP型壓力變送器
麥克MDM4951AP型壓力變送器
麥克MPM380型壓力傳感器
麥克MPM388型壓力傳感器
麥克MPM430型壓力變送器
麥克MPM480型壓力變送器
麥克MPM4730型壓力變送器
麥克MPM4760型壓力變送器
麥克MPM489型壓力變送器
麥克MPM482型LCD數字顯示壓力變送器
麥克MPM4120壓縮機專用壓力傳感器
麥克MPM483型壓力變送器
麥克MPM486型智能壓力變送器
麥克MPM484型壓力變送控制器
麥克MPM460型智能壓力變送控制器
麥克MPM484A/ZL型數字化壓力變送控制器
麥克MPM4530型壓力變送器
麥克MPM4528高溫壓力測量
麥克MPM489B型壓力變送器
麥克MDM3051GP型壓力變送器
麥克MDM3051AP型壓力變送器
麥克MDM3051GP/DP型遠傳壓力差壓變送器
麥克MDM4951GP型壓力變送器
麥克MDM4951AP型壓力變送器
免責聲明:以上所展示的[MPM489(0-1MPA)E22C1 MPM489 壓力傳感器]信息由會員[陜西麥克技術工程有限公司]自行提供,內容的真實性、準確性和合法性由發布會員負責。