| 提交詢價信息 |
| 發布緊急求購 |
價格:電議
所在地:河南 鄭州市
型號:MDM4951LT4E3A622AM1C2
更新時間:2021-10-18
瀏覽次數:1684
公司地址:中原區秦嶺路與建設路陽光新干線
![]()
張女士(女士)
產品概述
本公司生產的MDM4951系列電容式壓力、差壓變送器品種齊全,自微差壓至大差壓,從低壓力至高壓力、壓力、高靜壓差壓,用戶可按不同需要任意選用。接液材料除316L不銹鋼外,還有哈氏C合金、蒙耐爾合金、鉭、涂膜,可使用于各種腐蝕介質場合。
MDM4951系列變送器設計精巧,安裝使用和調校都很方便簡單,電氣外殼采用二腔結構,即接線端子和放大器線路各占一腔,密閉性較好,具有防爆和全天候結構。放大器線路有反向性保護, 防止因電源性接錯而損壞變送器。由于該變送器工作時的容積變化小于0.16cm3,因此不需為補償容積變化而增加冷凝器或液位筒。
本公司生產的MDM4951系列壓力、差壓變送器, 可配指針式電流指示表0-100%作現場輸出指示,也可配數字顯示器作現場輸出指示,該顯示器為3 1/2位LCD液晶顯示,讀數精度0.5%土1字。由于顯示器中的AD轉換器、放大器、液晶片等均采用高質量器件, 因而高、耐用可靠。用戶可根據自行的習慣從優選擇。

產品特點
.本公司生產的通用型MDM4951系列電容式壓力、差壓變送器有下列特點:
.品種齊全、精度高、穩定性好,價格比同類進口儀表;
.采用二線制的工作方式;
.敏感元件采用固體化結構,小型堅固, 抗振能力強;
.量程和零位可在外部連續調節;
.主要部件可與1151同類產品進行互換;
.關鍵零部件、電子元件及接插件均采用高質量產品。因此可靠性好, 質量穩定, 故障率
低;
.正遷移可達500%,負遷移可達600% (zui小量程時);
.阻尼可調;
.LCD 3 1/2 位液晶顯示指示器和指針指示表。
性能參數
功能規范
使用對象: 液體、氣體和蒸汽。
測量范圍: 0-117~690kPa
輸出信號: 4~20mADC 。
供電電源: 供電電源為12~45VDC ,帶數字顯示器為15~~45VDC ,一般工作電源為24VDC。
負 載: 與供電電源有關,負載阻抗R與電源電壓V關系式為R≤50(V-12)Ω。帶LCD數字顯示器的負載R與V關系式為R≤50(V-15)Ω
指 示 器: 現場輸出指示有電流表,線性指示0~100%;3 1/2位液晶顯示器,字高13mm,輸出百分數顯示或顯示實際壓力值。
防 爆: 防爆型MDM4951系列變送器為本質安全型儀表,符合標準GB3836.4《爆炸性環境用防爆 電氣設備本質安全型電路和電氣設備“ i”》的有關規定。適用于一般爆炸性環境條件,并經防爆電氣產品質量監督檢驗測試中心審查合格。防爆標志ExiaⅡCT6。
量程和零位:外部連續可調。
正 負 遷移:差壓變送器:zui大正遷移量為500%,zui大負遷移量為600% (在zui小量程時);
壓力變送器:zui大正遷移量為500%,zui大負遷移量不大于大氣壓;
壓力變送器:只可正遷移,zui大正遷移量為500%。
環境溫度范圍:一般變送器-25~70 ℃;帶現場顯示器-15~70℃。
貯 藏 溫 度: -40~100℃
過 載 壓 力: 不超過規定壓力的1.15倍,變送器不會損壞。
容積變化量: 小于0.16cm3。
阻 尼 時 間: 在0.2~1.67秒內連續可調,微、低差壓,阻尼時間較大些。
啟 動 時 間: 2秒, 不需要預熱。
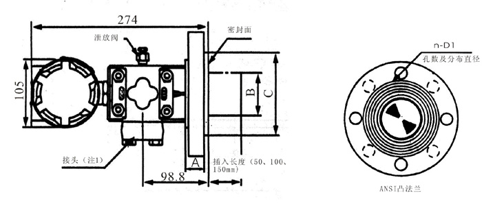
外形結構

電氣連接

選型指南

麥克傳感器MPM380型壓力傳感器
麥克傳感器MPM388型壓力傳感器
麥克傳感器MPM430型壓力變送器
麥克傳感器MPM480[0-100]KpaE22B1PC型壓力變送器
麥克傳感器MPM4730 型壓力變送器
麥克傳感器MPM4760型壓力變送器
麥克傳感器MPM489[0-100Kpa]E22B1C5G型壓力變送器
麥克傳感器MPM482型LCD數字顯示壓力變送器
麥克壓力傳感器MPM4120壓縮機專用壓力傳感器
麥克壓力傳感器MPM483型壓力變送器
麥克壓力傳感器MPM486型智能壓力變送器
麥克壓力傳感器MPM484型壓力變送控制器
麥克智能化壓力傳感器MPM460型智能壓力變送控制器
麥克傳數字化壓力感器MPM484A/ZL型數字化壓力變送控制器
麥克壓力傳感器MPM4530型壓力變送器
麥克高溫傳感器MPM4528高溫壓力測量
麥克壓力傳感器MPM489B型壓力變送器
麥克壓力傳感器MDM3051GP型壓力變送器
麥克壓力傳感器MDM3051AP型壓力變送器
麥克差壓傳感器MDM3051GP/DP型遠傳壓力差壓變送器
麥克壓力傳感器MDM4951GP型壓力變送器
麥克壓力傳感器MDM4951AP型壓力變送器
麥克液位傳感器MPM416W投入式液位變送器
麥克液位傳感器MPM426W投入式液位變送器
麥克壓力傳感器MPM489B 麥克壓力變送器
MPM430型壓力變送器 MPM4700型智能液位變送器
MPM480型壓力變送器 MPM490型壓阻式差壓變送器
MPM4730型壓力變送器 MPM486型HART協議智能壓力變送器
MPM4760型壓力變送器 MSB9418型測控儀
MPM489型壓力變送器 MSB9438型多屏壓力/液位顯示儀
MPM482型LCD數字顯示壓力變送器
PD100型4~20mA保護器
MPM4120壓縮機專用壓力傳感器
MPM483型壓力變送器
MPM486型智能壓力變送器
MPM484型壓力變送控制器
MPM460型智能壓力變送控制器
MPM484A/ZL型數字化壓力變送控制器
MPM4530型壓力變送器
MPM4528高溫壓力測量
MPM489B型壓力變送器
MDM3051GP型壓力變送器
MDM3051AP型壓力變送器
MDM3051GP/DP型遠傳壓力差壓變送器
MDM4951GP型壓力變送器
MDM4951AP型壓力變送器
MPM316W型壓陰式液位傳感 MPM380型壓力傳感器
MPM388型壓力傳感器 MDM390型壓阻式壓力傳感器
MPM416W型液位變送器 MPM426W/436W型投入式液位變送器
麥克傳感器MDM492,MDM490,MDM460
麥克傳感器代理MPM280,MPM281,MPM282,MPM283,MDM290,MPM380,MPM316W,MDM390,MPM388
麥克傳感器代理MPM416WRK,MPM426WJ,MPM426W/416W,MPM436W,MPM416WK,MPM480,MPM430
麥克傳感器代理MPM4530,MTM,MPM482,MPM483,MPM4730,MPM4760,MPM4700,MPM484A/MDM484A
麥克傳感器代理MPM462,MPM486,MPM484ZL/MDM484ZL,MPM484/MDM484,MPM460,MPM460W,MDM460
麥克傳感器代理MDM492,MDM490,MDM460,MDM484,MDM484ZL,MDM484A,MDM3051,MDM4951,MPM580
麥克傳感器代理MPM582,MFM500,MPM583,MSB9438,MSB9418,MSB9458,MDM4951LT,MDM4951DPU,MDM4951GPU
麥克傳感器代理MDM4951DP,MDM4951DR,MDM4951HP,MDM4951DP,MDM4951HP,MDM4951GP,MDM4951AP
麥克傳感器MPM280,MPM281,MPM282
麥克傳感器MPM283,MDM290,MPM380
麥克傳感器MPM316W,MDM390,MPM388
麥克傳感器MPM416WRK,MPM426WJ
麥克傳感器MPM426W/416W,MPM436W
麥克傳感器MPM416WK,MPM480,MPM430
麥克傳感器MPM4530,MTM,MPM482,MPM483
麥克傳感器MPM4730,MPM4760,MPM4700
麥克傳感器MPM484A/MDM484A,,MPM484/MDM484
麥克傳感器MPM462,MPM486,MPM484ZL/MDM484ZL
麥克傳感器MPM460,MPM460W,MDM460
麥克傳感器MDM492,MDM490,MDM460,
麥克傳感器MSB9438,MSB9418,MSB9458
麥克傳感器MDM4951LT,MDM4951DPU,MDM4951GPU
麥克傳感器MDM4951DP,MDM4951DR,MDM4951HP
麥克傳感器MDM4951DP,MDM4951HP
麥克傳感器MDM4951GP,MDM4951AP
免責聲明:以上所展示的[MDM4951LT4E3A622AM1C2 MDM4951LT型 液位變送器 ]信息由會員[陜西麥克技術工程有限公司]自行提供,內容的真實性、準確性和合法性由發布會員負責。