產品簡介
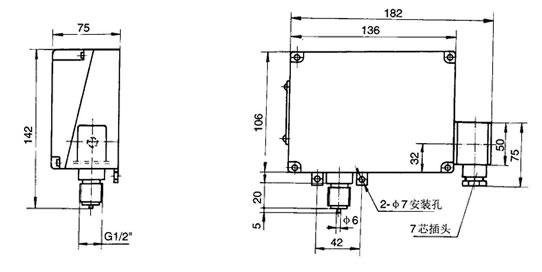
D512/10D壓力控制器采用彈簧管式傳感器,可用于腐蝕性氣體和液體介質
公司簡介
金湖縣聯創儀表有限公司是國內重點測控工程成套單位,化工部、冶金部、電力部、輕工部定點生產配套企業。公司自創建以來,以市場需求為導向、以用戶滿意為宗旨、勤奮求實、不斷創新,是一家集科研開發、生產、銷售和服務于一體的綜合性高新技術企業。公司專業致力于變送器儀表、溫度儀表、壓力儀表、流量儀表、校驗儀表、顯示儀表等系列產品的研究、設計、生產和推廣工作,主要產品:智能濃度/密度變送器、壓力變送器、液位變送器、電磁流量計、渦街流量計、雙金屬溫度計。本公司擁有雄厚的技術力量,先進的生產設備,齊全的檢測手段,高標準的生成環境,科學而嚴格的管理體系,是公司產品質量的可靠保證。
科技創新是企業發展的原動力,公司一直努力將科技進步融入每一天生活。互惠互利是我們的原則。優質與負責是我們的客戶的承諾,誠信與服務是我們永恒的理念。公司將一如既往地堅持以信譽求市場的原則,不斷優化產品,完善服務,竭誠為新老客戶提供最優質的產品和最滿意的服務。
展開
產品說明
| 產品名稱: |
D512/10D壓力控制器 |
| 產品型號: |
D512/10D |
| 產品特點: |
D512/10D壓力控制器采用彈簧管式傳感器,可用于腐蝕性氣體和液體介質??刂破鞯脑O定值可調,調節范圍1-40Mpa。 |
|
|
|
D512/10D壓力控制器采用彈簧管式傳感器,可用于腐蝕性氣體和液體介質。控制器的設定值可調,調節范圍1-40Mpa。
D512/10D特點:
控制器壓力控制范圍大;
控制精度高;
切換差小;
傳感器適用腐蝕性介質(氣體或液體)。
|
|
|
|
|
◇ D512/10D主要技術性能:
工作粘度:≤400mm2/s
開關元件:微動開關一組
外殼防護等級:IP65
環境溫度:-25~55℃
介質溫度:0~80℃
|
抗振性能:Max 10m/s2
重復性誤差:≤1%
安裝位置:任意
觸點容量:Vmax=380VAC Imax=6A阻性
Pmax=600VA
|
|
|
|
|
單刀雙擲微動開關作用過程:
接線端1-3:壓力上升至上切換值時接通。
接線端1-2:壓力上升至上切換值時斷開。
|
|
|
本頁產品地址:http://m.521uz.com/sell/show-2260362.html

免責聲明:以上所展示的[
D512/10D 壓力控制器]信息由會員[
江蘇金湖聯創儀表有限公司]自行提供,內容的真實性、準確性和合法性由發布會員負責。
[給覽網]對此不承擔任何責任。
友情提醒:為規避購買風險,建議您在購買相關產品前務必確認供應商資質及產品質量!