| 提交詢價信息 |
| 發布緊急求購 |
價格:電議
所在地:河南 鄭州市
型號:SWP-T101
更新時間:2016-10-12
瀏覽次數:1977
公司地址:河南省鄭州市中原區長城新干線10號樓1604
![]()
王琦(女士)
一、 概述
SWP-T101 溫度變送器,將現場各種溫度信號轉換成 4 ~ 20mA( 二線制 ) 電流信號輸出;
SWP-T101 溫度變送器,具有多種可選分度號,可廣泛用于石油、化工、冶金等部門的各種液體和氣體溫度測量。
二、主要特點
• 體積小、精度高、穩定性好
• 智能化切換各種分度號,且軟件操作簡潔、方便
三、 主要技術參數
輸入信號 RTD : PT100 、 PT100.1 、 CU50 、
T/C : B 、 S 、 K 、 E 、 J 、 T 、 WRe
精 度 ± 0.5%
供電電壓 12 ~ 30VDC
環境溫度 -40 ~ 85 ℃
工作溫度 -40 ~ 85 ℃
溫 漂 ≤± 0.25 ℃ /25 ℃
阻 抗 ≥ 10M Ω
重 量 50g
安裝方式 接線盒安裝
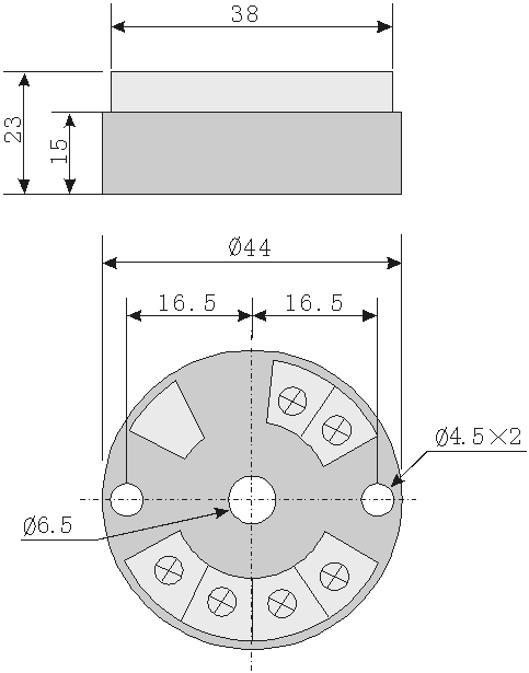
三、變送器外觀尺寸


四、接線方式:
|
熱電阻輸入接線 |
熱電偶輸入接線 |
二線制接線方式 |
通訊方式 |
|
|
|
|
COM RS232 |
五、調試方法
1.安裝SWP-T101 Soft軟件。
2.通過編程器連接PC和溫度變送器。
3. 進入 SWP-T101 Soft 編程菜單,選擇相關參數
六、參數設置軟件使用說明
1、數據測試(F7)——進行儀表數據的實時監測
2、參數校對(F8)——進行儀表二級參數的修改(詳見參數設置表)
3、參數設置(F9)——完成“參數校對”后,使用該功能鍵,將所修改后的參數,寫入儀表。
七、參數設置表
|
參數名稱 |
參數符號 |
參數設置范圍 |
參數名稱 |
參數符號 |
參數設置范圍 |
|
分度號 |
ISL0 |
1~10 |
模擬輸出下限 |
1DAL |
全量程 |
|
顯示量程下限 |
ISLL |
全量程 |
模擬輸出上限 |
1DAH |
全量程 |
|
顯示量程上限 |
ISLH |
全量程 |
模擬輸出零點遷移量 |
1DAP |
全量程 |
|
顯示值零點遷移量 |
1PB1 |
全量程 |
模擬輸出比例設定值 |
1DAK |
0~1.999 |
|
顯示值比例設定值 |
1KK1 |
0~1.999 |
八、SWP 智能萬用溫度變送器型譜
|
型 號 |
代 碼 |
說 明 |
||||
|
SWP T101 |
□□―□ /□ |
|||||
|
輸入信號 |
TC TR |
熱電偶 熱電阻 |
||||
|
分度號 |
□ |
見輸入類型表 |
||||
|
量程范圍 |
□ |
輸入類型對應溫度范圍 |
||||
特殊分度號訂貨時請注明
輸入類型
|
代碼 |
輸入類型 |
測 量 范 圍 |
代碼 |
輸入類型 |
測 量 范 圍 |
|
01 |
B |
400~1800 ℃ |
07 |
WRe |
0 ~2300 ℃ |
|
02 |
S |
0 ~1600 ℃ |
08 |
Pt100 |
-200~650 ℃ |
|
03 |
K |
0 ~1300 ℃ |
09 |
Pt100.1 |
-99.9~199.9℃ |
|
04 |
E |
0 ~1000 ℃ |
10 |
Cu50 |
-50.0~150.0 ℃ |
|
05 |
T |
-199.9~320.0 ℃ |
11 |
Cu100 |
-50.0~150.0 ℃ |
|
06 |
J |
0 ~1200 ℃ |
18 |
特 殊 規 格 |
用 戶 特 定 |
選型舉例
SWP-T101TR08/0~300 ℃
SWP 智能萬用溫度變送器分度號 PT100, 輸出量程 0 ~ 300 ℃,對應 4 ~ 20MA 輸出

SWP-D01主要特點
1、適用于所有兩線制變送器,無需電源,與使用傳統國LCD一樣。
2、大的LED顯示,徹底解決了LCD在黑暗環境下無法顯示的問題。
3、內置微處理器:分辨率為 1/216
4、可顯示物理量:-1.9.9.9.9~9.9.9.9.9.。
5、壓降<4.5V,3mA即可點亮。
6、帶二路隔離式開關量輸出,可以就地顯示、控制與報警。
7、通過兩按鍵編程、可實現零點、滿量程、小數點、阻尼時間、開關報警及報警方向等的設定。
8、可安裝在市面各種流行客體內,或為您的殼體單獨定做。
SWP-DO2主要特點
1、、高穩定性
2、內置微處理器,分辨率為1/216
3、可顯示物理量:-1.9.9.9.9~9.9.9.9.9.。
4、壓降<3V,1mA即可點亮。
5、可顯示壓力、溫度、電導率、PH值等等,支持多種單位選擇。
6、良好的人機界面,清晰明了的菜單提示。
7、光柱條實時顯示百分比,報警時閃爍。
8、帶二路隔離式開關量輸出,可以就地顯示、控制與報警。
9、可安裝在市面各種流行客體內,或為您好的殼體單獨定做。
外形尺寸

一 數字、光柱、雙回路及液晶顯示控制系列
1.數字顯示儀 SWP-C901/801/701/401/101-00
2.數字顯示控制(報警)儀 SWP-C903/803/703/403/-01
3.數字顯示控制儀(一個報警) SWP-C103-01
4.雙屏顯示數字控制儀(SV可顯示報警值) SWP-D903/803/703/403/103-01
5.四限控制儀(四個報警輸出 ) SWP-C904/804/704-01
6.三限控制儀(三個報警輸出 ) SWP-C404-01
7.雙路輸入數字顯示儀 SWP-D921/821/721/421-00
8.雙路輸入數字控制儀(四個報警輸出 ) SWP-D923/823/723-01
9.雙路輸入數字控制儀(二個報警輸出 ) SWP-D423-01
10.單回路光柱顯示儀 SWP-T801-00
11.單回路光柱控制儀 SWP-T803-01
12.單回路光柱控制儀(四個報警輸出 ) SWP-T804-01
13.雙回路光柱顯示儀 SWP-T821-00
14.雙回路光柱控制儀 SWP-T823-01
15.帶打印數字顯示儀 SWP-RD801-00
16.帶打印數字顯示控制(報警)儀 SWP-RD803-01
二 多路巡檢數字/液晶顯示控制系列
17 多路巡檢顯示儀(八路輸入,可輸入不同分度號) SWP-MD806-00
18 多路巡檢顯示儀(八路輸入,統一變送輸出) SWP-MD806-02
19 多路巡檢顯示控制儀(八路輸入,統一報警輸出) SWP-MD807-01
21 多路巡檢分別報警儀(八路輸入,八路報警輸出) SWP-MD808-01
22 多路巡檢分別變送控制儀(八路輸入,統一報警輸出) SWP-MD808-02
23 多路巡檢顯示儀(十六路輸入,可輸入不同分度號) SWP-MD809-00
24 多路巡檢顯示儀(十六路輸入,統一變送輸出) SWP-MD809-02
25 多路巡檢顯示控制儀(十六路輸入,統一報警輸出) SWP-MD814-01
26 多路巡檢顯示控制儀(十六路輸入,統一變送輸出) SWP-MD814-02
27 帶打印多路巡檢顯示儀(八路輸入,可輸入不同分度號) SWP-RMD806-00
28 帶打印多路巡檢顯示儀(八路輸入,可輸入不同分度號) SWP-RMD806-02
29 帶打印多路巡檢控制儀(八路輸入,可輸入不同分度號) SWP-RMD807-01
30 帶打印多路巡檢控制儀(八路輸入,可輸入不同分度號) SWP-RMD807-02
31 帶打印多路巡檢顯示儀(十六路輸入,可輸入不同分度號) SWP-RMD809-00
32 帶打印多路巡檢顯示儀(十六路輸入,可輸入不同分度號) SWP-RMD809-02
33 帶打印多路巡檢顯示儀(十六路輸入,可輸入不同分度號) SWP-RMD814-01
34 帶打印多路巡檢顯示儀(十六路輸入,可輸入不同分度號) SWP-RMD814-02
35 LCD大屏多路巡檢顯示儀(八路輸入顯示) SWP-LCD-M806-00
36 LCD大屏多路巡檢顯示控制儀(八路輸入,統一報警輸出) SWP-LCD-MD807-01
37 LCD大屏多路巡檢顯示儀(十六路輸入顯示) SWP-LCD-MD809-00
38 LCD大屏多路巡檢顯示控制儀(十六路輸入,統一報警輸出) SWP-LCD-M814-01
39 LCD大屏多路巡檢分別報警(八路輸入顯示) SWP-LCD-MD808-01
40 64路巡檢儀(144×144×250mm,16路輸入通道) SWP-LCD-SSR-M816
41 64路巡檢儀(144×144×250mm,32路輸入通道) SWP-LCD-SSR-M832
42 64路巡檢儀(144×144×250mm,48路輸入通道) SWP-LCD-SSR-M848
43 64路巡檢儀(144×144×250mm,64路輸入通道) SWP-LCD-SSR-M864
三 PID、外給定、閥位、手操器、可編程,數字/光柱/液晶顯示控制系列
44 PID自整定調節儀(105只有一個繼電器輸出) SWP-D905/805/705/405/105-01
45 PID自整定調節儀(模擬量輸出) SWP-D905/805/705/405/105-02
46 PID自整定調節儀(模擬量控制輸出+變送輸出) SWP-D905/805/705-022
47 PID外給定調節儀 SWP-D915/815/715/415-010
48 PID外給定調節儀(模擬量輸出) SWP-D915/815/715/415-020
49 PID外給定調節儀(模擬量控制輸出+變送輸出) SWP-D915/815/715-022
50 PID閥位調節儀(繼電器正,反轉控制) SWP-D925/825/725/425-010
51 PID閥位調節儀(繼電器正,反轉控制,模擬量輸出) SWP-D925/825/725/425-020
52 PID閥位調節儀(模擬量控制輸出+變送輸出) SWP-D925/825/725-022
53 手動操作器(帶報警,繼電器輸出) SWP-D935/835/735/435-01
54 手動操作器(帶報警,模擬量輸出) SWP-D935/835/735/435-02
55 PID光柱調節控制儀表 SWP-T805-01
56 PID光柱調節控制儀表(模擬量輸出) SWP-T805-02
57 PID光柱調節控制儀表(模擬量控制輸出+變送輸出) SWP-T805-022
58 PID光柱外給定調節儀 SWP-T815-01
59 PID光柱外給定調節儀(模擬量輸出) SWP-T815-02
60 PID光柱外給定調節儀(模擬量控制輸出+變送輸出) SWP-T815-022
61 PID光柱閥位調節儀(繼電器正,反轉控制) SWP-T825-01
62 PID光柱閥位調節儀(繼電器正,反轉控制,模擬量輸出) SWP-T825-02
63 PID光柱閥位調節儀(繼電器正,反轉控制,模擬量輸出) SWP-T825-022
64 光柱手動操作器(帶報警,繼電器輸出) SWP-T835-01
65 光柱手動操作器(帶報警,模擬量輸出) SWP-T835-02
66 32段雙區PID可編程序控制儀(帶報警,繼電器輸出) SWP-P905/805-010
67 32段雙區PID可編程序控制儀(帶報警,模擬量輸出) SWP-P905/805-020
68 帶打印32段雙區PID可編程序控制儀(帶報警,繼電器輸出) SWP-PRD 805-010
69 帶打印32段雙區PID可編程序控制儀(帶報警,模擬量輸出) SWP-PRD 805-020
70 LCD大屏PID調節儀 SWP-LCD-ND805-01/02
71 LCD大屏PID外給定調節儀 SWP-LCD-ND815-01/02
72 LCD大屏PID閥位調節儀 SWP-LCD-ND825-01/02
73 LCD大屏PID調節記錄儀 SWP-LCD-DR805-01/02
74 LCD大屏PID外給定調節記錄儀 SWP-LCD-DR815-01/02
75 LCD大屏PID閥位調節記錄儀 SWP-LCD-DR825-01/02
76 LCD大屏手動操作器 SWP-LCD-A/M735-01/02
77 LCD大屏32段PID可編程序控制儀 SWP-LCD-NP805-01/02
78 LCD大屏33段PID可編程序控制記錄儀\\\\ SWP-LCD-NPR805-01/02
四 數字/液晶流量、容積、熱能、熱量、天然氣積算控制儀系列
79 流量積算控制儀(5位+6位,帶報警,帶變送輸出) SWP-LE801-01/02
80 流量積算控制儀(溫壓補償帶報警,帶變送輸出改進型) SWP-LE802-01/02
81 流量積算控制儀(5位+8位,帶報警,帶變送輸出) SWP-LK901/801-01/02
82 流量積算控制儀(溫壓補償帶報警,帶變送輸出改進型) SWP-LK902/802-01/02
83 帶打印流量積算控制儀(帶報警,帶變送輸出) SWP-RLK801-01/02
84 帶打印流量積算控制儀(溫壓補償改進型) SWP-RLK802-01/02
85 熱能積算控制儀(溫度、壓力、流量各一路輸入,帶報警) SWP-LQ902/802-01(03)
86 液位/容積控制儀(5位+8位,帶溫壓補償) SWP-HK901(903)/801(803)
87 智能防盜流量/熱能積算控制儀(帶報警,帶變送輸出) SWP-LCD-L801-01/02
88 智能防盜流量/熱能積算控制記錄儀(溫壓補帶報警,帶變送輸出) SWP-LCD-L802-01/02
89 液晶流量積算控制記錄儀(帶報警,帶變送輸出) SWP-LCD-RL801-01/03
90 液晶流量積算控制記錄儀(溫壓補償帶報警,帶變送輸出) SWP-LCD-RL802-01/03
91 液位容積控制儀(帶報警,帶變送輸出) SWP-LCD-NH801(803)
92 液位容積控制記錄儀(帶報警,帶變送輸出) SWP-LCD-NHR801(803)
93 智能防盜熱量積算控制儀(溫度差輸入,帶報警,帶變送輸出) SWP-LCD-NLQ812-01/02
94 智能防盜熱量積算控制記錄儀(溫度差輸入,帶報警、變送輸出) SWP-LCD-NLQR812-01/02
95 天然氣流量積算儀(帶溫壓補償報警,帶變送輸出) SWP-LCD-NLT802-01/02
96 帶打印天然氣流量積算儀(帶溫壓補償報警,帶變送輸出) SWP-LCD-NRLT802-01/03
97 流量積算控制儀-帶批量控制功能
五 閃光報警控制儀
98 閃光報警儀(數字顯示) SWP-X803-01
99 閃光報警儀(平面顯示) SWP-N803-01
100 單回路拼裝閃光報警儀(平面顯示) SWP-X101
101 雙回路拼裝閃光報警儀(平面顯示) SWP-X102
102 音響報警器 SWP-SX100
六 單/雙回路輸入溫變、電壓/電流/頻率轉換器、配電器、數學運算器、安全柵
103 單路熱電偶/電阻溫度變送器(一入二出) SWP-201TC/TR-B
104 單路熱電偶/電阻溫度變送器(一入二出隔離) SWP-20TC/TR-A
105 雙路熱電偶/電阻溫度變送器(二入二出隔離) SWP-202TC/TR
106 單路電壓/電流轉換模塊(一入二出) SWP-201IC-B
107 單路電壓/電流轉換模塊(一入二出隔離) SWP-201IC-A
108 雙路電壓/電流轉換模塊(二入二出隔離) SWP-202IC
109 單路配電模塊(一入二出) SWP-201DL-B
110 單路配電模塊(一入二出隔離) SWP-201DL-A
111 雙路配電模塊(二入二出隔離) SWP-202DL
112 數學運算器(加減/乘除/比值) SWP-202-SX-B/Q-A/B/C/D
113 顯示模塊 SWP-20SHA
114 編程器 SWP-20PCA
115 手持編程器 SWP-20LCD
116 薄型單路配電器(一入二出單隔離) SWP-8047/8035
117 薄型雙路配電器/隔離器(二入二出全隔離) SWP-8036/8039
118 薄型單路隔離器(一入二出單隔離)入:4~20mA/1~5V SWP-8067/8068
119 薄型單路隔離器(一入二出雙隔離) SWP-8034
120 薄型單路隔離器(二入二出全隔離)入:4~20mA/1~5V SWP-8038/8069
121 薄型單路溫度電偶/電阻變送器(一入二出單隔離) SWP-8081TC/8083TR
122 薄型檢測端安全柵(帶24 VDC饋電) SWP-8047-EX
123 薄型操作端安全柵 SWP-8067-EX
124 薄型電偶/電阻安全柵 SWP-8081/8083-EX
125 薄型電流輸入齊納安全柵 SWP-8085/8086
126 薄型電流輸出齊納安全柵 SWP-8087/8088
127 薄型電壓輸出齊納安全柵 SWP-8089/8090
128 一體化溫度電偶/電阻變送器 SWP-T101-TC/TR
七 電工電量
129 交/直流電壓/電流表 SWP-AC/DC-C901/801/401-00
130 交/直流電壓/電流表(帶報警) SWP-AC/DC-C903/803/403-01
131 交流功率表(單相) SWP-W-C901/801/401-00
132 交流功率表(單相帶報警) SWP-W-C903/803/403-01
133 交流功率表(三相 ) SWP-W-C901/801/401-00
134 交流功率表(三相帶報警 ) SWP-W-C903/803/403-01
135 交流功率因數表 SWP-Cos-C901/801/401-00
136 交流功率因數表(帶報警) SWP-Cos-C903/803/403-01
137 交流工頻周波表 SWP-Hz-C901/801/401-00
138 交流工頻周波表(帶報警) SWP-Hz-C903/803/403-01
139 交流電量集中顯示控制儀(帶報警) SWP-E-C803-01
140 干式變壓器溫度控制儀(220DC外接單相風機/380DC外接三相風機) SWP-C80-T220D/380D
141 單相移相觸發器 SWP-ZKH-B1
142 三相移相觸發器 SWP-ZKH-B3
八 頻率、轉速、計數、計數/定時、轉速/線速度
143 頻率/轉速表 SWP-RP-C901/801/401-00
144 頻率/轉速表(帶報警) SWP-RP-C903/803/403-01
145 計數儀 SWP-TC-C901/801/401-00
146 計數儀(帶報警) SWP-TC-C903/803/403-01
147 6位帶設定計數/定時顯示控制儀 SWP-NC/NT-403
148 頻率/轉速/線速度顯示控制儀 SWP-DF/DP/DT-403
九 熒光顯示儀(160×80×140mm)
149 熒光顯示儀 SWP-V801-00-23
150 熒光顯示PID調節儀 SWP-V805-02-23
151 熒光顯示流量積算控制儀 SWP-VL801-02
152 熒光顯示流量積算控制儀(溫壓補償帶報警) SWP-VL802-02
十 單色無紙記錄(160×80×140mm)
153 無紙記錄儀(單回路記錄) SWP-LCD-R8101-00
154 無紙記錄儀(單回路控制記錄) SWP-LCD-R8103-01
155 無紙記錄儀(雙回路記錄) SWP-LCD-R8201-00
156 無紙記錄儀(雙回路控制記錄) SWP-LCD-R8203-01
157 無紙記錄儀(三回路記錄) SWP-LCD-R8301-00
158 無紙記錄儀(三回路控制記錄) SWP-LCD-R8303-01
十一 單色無紙記錄(144×144×250mm)
159 無紙記錄儀(單回路記錄) SWP-SSR81-00
160 無紙記錄儀(單回路48段PID調節記錄儀) SWP-SSR-D8105-01
161 無紙記錄儀(單回路48段PID外給定記錄儀) SWP-SSR-D8115-01
162 無紙記錄儀(單回路48段PID閥位記錄儀) SWP-SSR-D8125-01
163 無紙記錄儀(單回路防盜流量/熱能積算,無補償) SWP-SSR-L8101
164 無紙記錄儀(單回路防盜流量/熱能積算,帶補償) SWP-SSR-L8102
165 無紙記錄儀(單回路天然氣流量積算,帶補償) SWP-SSR-T8102
十二 彩色無紙記錄(165×150×220mm)
166 彩色無紙記錄儀(帶流量/熱能積算) SWP-CSR-C8S-1
167 彩色無紙記錄儀(帶溫壓補償流量/熱能積算) SWP-CSR-L8S-101
168 彩色無紙記錄儀(帶48段自整定PID控制) SWP-CSR-L8S-102
169 彩色無紙記錄儀(帶輸出48段自整定PID控制) SWP-CSR-D8S-105-01
170 彩色無紙記錄儀(帶溫壓補償天然氣流量積算) SWP-CSR-D8S-105-02
171 真彩色無紙記錄儀 SWP-CSR-T8S-102
172 真彩色無紙記錄儀(帶流量/熱能積算) SWP-TSR101
173 真彩色無紙記錄儀(帶溫壓補償流量/熱能積算) SWP-TSRL1101-A
174 真彩色無紙記錄儀(帶輸出48段自整定PID控制) SWP-TSRL1102-AAG
175 真彩色無紙記錄儀(288*288外形) SWP-TSR101/PID/繼電器輸出
176 真彩色無紙記錄儀(288*288外形) SWP-TSR201
177 真彩色無紙記錄儀(帶流量/熱能積算) SWP-TSRL201
178 真彩色無紙記錄儀(帶溫壓補償流量/熱能積算)(288*288外形) SWP-TSRL202
179 真彩色無紙記錄儀(帶輸出48段自整定PID控制)(288*288外形) SWP-TSR201/PID/繼電器輸出
十三 穩壓電源
180 穩壓電源 SWP-DFY-TF2401(1A)
181 穩壓電源 SWP-DFY-TF2403(3A)
182 穩壓電源 SWP-DFY-TF2405()
183 穩壓電源 SWP-DFY-TF2410(10A)
184 穩壓電源 SWP-DFY-TF2415(1)
185 穩壓電源 SWP-DFY-TF2420(20A)
免責聲明:以上所展示的[SWP-T101 廠家 SWP-T101 溫度變送器 昌暉 ]信息由會員[鄭州亞比蘭儀器儀表有限公司]自行提供,內容的真實性、準確性和合法性由發布會員負責。