| 提交詢價信息 |
| 發布緊急求購 |
價格:電議
所在地:安徽 蚌埠市
型號:TJN-3
更新時間:2020-06-29
瀏覽次數:2080
公司地址:安徽省蚌埠市高新區嘉和路118號
![]()
李芳(先生)
安徽天光傳感器有限公司于1991年創建于中國安徽省蚌埠市,前身為蚌埠天光測控儀表廠,主要研發、生產、銷售稱重傳感器,拉壓力傳感器,壓力傳感器,扭矩傳感器以及相配套測控儀表等產品。在近二十年的時間里,天光人秉承“務實嚴謹,開拓創新;”的企業精神,注重同行業間的交流合作,不斷吸取國內外的先進技術,引進國外領先的設備與工藝,學習與消化先進企業管理理念,立志打造民族測控品牌,先后研發、生產了百余種測力傳感器及配套儀器儀表,產品廣泛應用于軍工、航空航天、油田、交通、醫療、建材等行業的計量與自動化過程中的檢測等方面,其半導體應變計的生產工藝、設備及產量為國內領先。2008年我公司榮幸為北京奧運會的主體育場鳥巢提供不銹鋼軸銷傳感器。
企業愿景
立意進取,開拓創新,與民族測控事業共同發展。
企業理念
專注集中所有的技術與資源,專注于傳感器的研發與生產,在該領域做深、做細、做精;謹行公司高層不斷加強自身的危機意識與警惕性,不因一時的成功而放松,經營中始終保持清醒的頭腦,兢兢業業為本,誠信求實而行。求真態度決定成就。企業在創業階段,就嚴把質量關,以質量求生存,以口碑創品牌。在競爭激烈的傳感器市場中,堅持自我,不為他動,用可信的產品、合理的性價、優質的服務贏得了廣大客戶一至的認可與信賴。
企業榮譽
2002年安徽省科學技術廳頒發“安徽省民營科技企業”稱號2008年由奧運承包單位頒發傳感器質量榮譽證書2010年通過IS9001質量認證
|
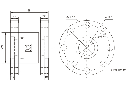
安徽TJN-3扭矩傳感器廠家供應商 量程: 1000,2000,3000,5000N.m 技術參數: |
|||||||||||||||||||||||||||||||
|
|||||||||||||||||||||||||||||||
安徽TJN-3扭矩傳感器廠家供應商
外形尺寸圖:

免責聲明:以上所展示的[TJN-3 TJN-3扭矩傳感器]信息由會員[安徽天光傳感器有限公司]自行提供,內容的真實性、準確性和合法性由發布會員負責。