產品簡介
LZB-系列玻璃轉子流量計 LZB-系列玻璃轉子流量計產品說明: LZB
公司簡介
青島新悅聯智能科技有限公司是一家從事工業自動控制系統開發和儀器儀表等工控產品銷售的高科技專業公司,公司人員有多年的工業自動控制和樓宇自動控制經驗,技術力量雄厚。
主營:美國Gems、Setra、Dynisco、瑞士HUBA、韓國3S、意大利MAC3、珠海志美、廣州SINO、浙江銀環、金泰、德國BECK、IKA國內外知名品牌,生產廠家產品均通過ISO9001國際質量體系認證。
產品涉及壓力、流量、稱重、液位、光柵數顯、控制儀表、實驗室儀器、溫濕度等自動化產品,我公司產品品種齊全、品質優良、供貨及時,產品廣泛應用于工業自動化、暖通空調、樓宇自控、石油、化工、冶金、電力、煙草、制藥、水處理、環保、潔凈工程、鍋爐、壓縮機、冷凍制冷設備、食品、紡織、包裝、造紙、建筑、衡器、電子、五金、機械、生產過程檢測與控制系統以及自動化生產線等領域。
我公司擁有專業的銷售隊伍及完善的售后服務體系,為您提供專業的項目設計和維護,從客戶角度出發,為客戶節省成本、提升效率、創造效益,使客戶的業績提升變為現實。我們堅持不懈地關注客戶的需求,縮短與客戶間的距離,通過幫助客戶發展來促進自身的改進,為客戶提供的幫助越多,我們感受到的快樂也就越多。因此我們贏得了廣大用戶的信任和支持,與國內眾多的大中型企業建立了長期良好的合作關系。
青島悅聯將一路支持并伴隨您的事業發展,以“品質第一,服務至上”為宗旨,為新老客戶提供更優良、更值得信賴的產品以及更滿意的服務。
我們將與您攜手并進,共創佳績!
展開
產品說明
| LZB-系列玻璃轉子流量計 |
| LZB-系列玻璃轉子流量計產品說明:
LZB-常規型玻璃轉子流量計技術參數
|
型號
|
LZB-3
|
LZB-4
|
LZB-6
|
LZB-10
|
|
公稱通徑(mm)
|
¢3
|
¢4
|
¢6
|
¢10
|
|
測量范圍
|
液體
l/h
|
2.5-25ml/min
|
1-10
|
★1-10
|
6-60
|
|
4-40 ml/min
|
1.6-16
|
★100-800 ml/min
|
10-100
|
|
6-60 ml/min
|
2.5-25
|
|
★10-80 ml/min
|
2.5-25
|
4-40
|
16-160
|
|
10-100ml/min
|
★3.6-36
|
6-60
|
★25-250
|
|
氣體
M3/h
|
0.03-0.3 l/min
|
★0.2-2.5l/min
|
0.04-0.4
|
0.1-1
|
|
0.06-0.6 l/min
|
0.16-1.6
|
|
0.1-1 l/min
|
0.016-0.16
|
0.06-0.6
|
0.25-2.5
|
|
0.15-1.5 l/min
|
0.025-0.25
|
★1-10 l/min
|
★5-50 l/min
|
|
★0-100 l/h
|
0.04-0.4
|
0.1-1
|
★0.5-5 l/min
|
|
★0.3-3 l/h
|
|
|
★0.6-6
|
| |
|
|
★0.6-7
|
|
精度(+%)
|
4、6
|
2.5、4
|
2.5
|
2.5
|
|
工作壓力(Mpa)
|
≤0.6
|
≤1
|
≤1
|
≤1
|
注:打★的流量為本公司開發的特殊流量
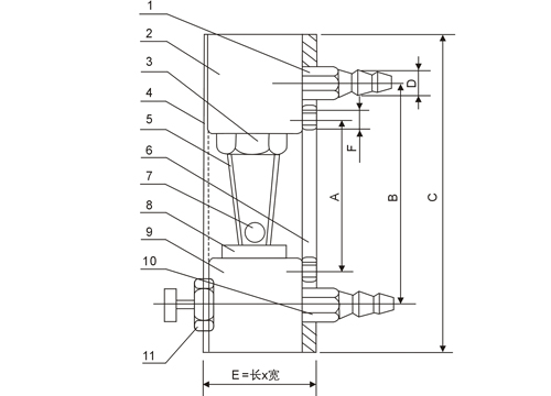
LZB-3.4.6.10的外形及安裝尺寸
|
型號
|
A
|
B
|
C
|
D
|
E
|
F
|
|
LZB-3
|
|
116
|
136
|
Φ8
|
26x25
|
|
|
LZB-4
|
178
|
204
|
234
|
Φ9
|
39.5x34
|
2-M6
|
|
LZB-6
|
178
|
204
|
234
|
Φ9
|
39.5x34
|
2-M6
|
|
LZB-10
|
178
|
208
|
238
|
Φ12
|
39.5x34
|
2-M6
|
|
LZB玻璃轉子流量計
本頁產品地址:http://m.521uz.com/sell/show-440676.html

免責聲明:以上所展示的[
LZB-4/6/10 LZB-系列玻璃轉子流量計]信息由會員[
青島悅聯貿易有限公司]自行提供,內容的真實性、準確性和合法性由發布會員負責。
[給覽網]對此不承擔任何責任。
友情提醒:為規避購買風險,建議您在購買相關產品前務必確認供應商資質及產品質量!