產品簡介
通常和顯示儀表、記錄儀表等配套使用。直接測量生產過程中的-200~500℃范圍內液體、蒸汽和氣體介質以及固體表面溫度產品詳細信
公司簡介
廣州漢川儀器儀表有限公司 經銷批發的氣體流量計、電磁流量計、渦街流量計、變送器,二次儀表、熱電阻電隅暢銷消費者市場,在消費者當中享有較高的地位,公司與多家零售商和代理商建立了長期穩定的合作關系。廣州漢川儀器儀表有限公司經銷的氣體流量計、電磁流量計、渦街流量計、變送器,二次儀表、熱電阻電隅品種齊全、價格合理。廣州漢川儀器儀表有限公司實力雄厚,重信用、守合同、保證產品質量,以多品種經營特色和薄利多銷的原則,贏得了廣大客戶的信任。
展開
產品說明
通常和顯示儀表、記錄儀表等配套使用。直接測量生產過程中的-200~500℃范圍內液體、蒸汽和氣體介質以及固體表面溫度
產品詳細信息
|
●壓簧式感溫元件,抗振性能好;
●測量度高;
●機械強度高,耐壓性能好;
●進口薄膜電阻元件,性能可靠穩定;
|
|
工作原理
|
|
熱電阻是利用物質在溫度變化時,其電阻也隨著發生變化的特征來測量溫度的。當阻值變化時,工作儀表便顯示出阻值所對應的溫度值。
|
|
主要技術參數
|
|
|
○產品執行標準
IEC751
JB/T8622-1997
JB/T8623-1997
○常溫緣電阻
熱電阻在環境溫度為15~35℃,相對濕度不大于80%,試驗電壓為10~100V(直流)電與外套管之間的緣電阻≥100MΩ。
○測溫范圍及允差
|
| 型號 |
分度號 |
測溫范圍℃ |
精度等級 |
允許偏差 |
| WZP |
Pt100 |
-200~+500 |
A級 |
±(0.15+0.002|t|) |
| WZC |
Cu50 |
|
B級 |
±(0.30+0.005|t|) |
| |
Cu100 |
-50~+100 |
- |
±(0.30+0.006|t|) |
|
|
注:t為感溫元件實測溫度值。
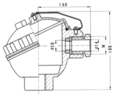
○接線盒形式
|

防噴式
|

防水式
|
|
|
注:電氣出口M未特殊指明,一律視為M20×1.5。
|
|
型號命名方法
|
|
|
W
|
溫度儀表
|
| |
|
|
|
|
|
|
|
|
|
|
|
|
|
|
|
|
|
|
|
|
|
|
|
|
|
|
|
|
|
|
|
|
|
|
|
|
Z
|
熱電阻
|
| |
|
|
|
|
|
|
|
|
|
|
|
|
|
|
|
|
|
|
|
|
|
|
|
|
|
|
|
|
|
|
|
|
|
|
感溫元件材料 分度號
|
|
P
C
|
鉑 Pt100
銅 Cu50
|
|
|
|
|
|
|
|
|
|
|
|
|
|
|
|
|
|
|
|
|
|
|
|
|
|
|
|
|
|
|
鉑電阻元件
|
|
無
2
|
單支
雙支
|
|
|
|
|
|
|
|
|
|
|
|
|
|
|
|
|
|
|
|
|
|
|
|
|
|
|
|
安裝固定形式
|
|
1
2
3
4
5
6
|
無固定裝置
固定螺紋
活動法蘭
固定法蘭
活絡管接頭式
固定螺紋錐形式
|
|
|
|
|
|
|
|
|
|
|
|
|
|
|
|
|
|
|
接線盒形式
|
|
2
3
|
防噴式
防水式
|
|
|
|
|
|
|
|
|
|
|
|
|
|
|
保護管直徑
|
|
0
1
|
Φ16
Φ12
|
|
|
|
|
|
|
|
|
|
|
|
工作端形式
|
|
G
|
變截面
|
|
|
|
|
|
|
|
|
|
|
|
W
|
Z
|
P
|
2
|
——
|
2
|
2
|
0
|
G
|
典型型號示例
|
|
| |
|
選型須知 |
1)型號
2)分度號
3)精度等級
4)安裝固定形式
5)保護管材質
6)長度或插入深度 |
| 例A:熱電阻,Pt100型,A級,固定螺紋 M27×2,保護管316L,長度450mm,插入深度300mm。WZP-220,Pt100熱電阻,L×I=450×300,I級,保護管316L,螺紋 M27×2。 |
| |
|
熱電阻(適用于鎧裝和隔爆熱電偶)
|
|
| 序號 |
形式 |
保護管材質 |
公稱壓力 |
熱響應時間 |
備注 |
| 1 |
無固定 |
1Cr18Ni9Ti |
常壓 |
<90S |
保護管外徑為Φ16、Φ12兩種具體要求雙方協商而定 |
| 2 |
固定螺紋 |
≤10MPa |
| 3 |
活動法蘭 |
常壓 |
| 4 |
固定法蘭 |
≤2.5MPa |
| 5 |
活絡管接頭式 |
常壓 |
| 6 |
固定螺紋錐形式 |
≤30MPa |
| 7 |
直形管接頭式 |
常壓 |
| 8 |
固定螺紋管接頭式 |
| 9 |
活動螺紋管接頭式 |
|
| |
|
| |
| |
|
保護管材質及選用 |
| 材質 |
使用溫度 |
特點及用途 |
| 1Cr18Ni9Ti |
-200~800 |
具有高溫耐蝕性,通常作為一般熱鋼使用
|
| 304 |
-200~800 |
低碳含量,具有良好耐晶間腐蝕性,通常作為一般耐熱鋼使用
|
| 316 |
-200~750 |
低碳含量,具有良好耐晶間腐蝕性,作為耐腐蝕鋼使用
|
| 316L |
-200~750 |
超低碳含量,具有良好耐晶間腐蝕性,作為耐腐蝕鋼使用
|
| 310S |
-200~1000 |
具有高溫抗氧化性,耐腐蝕型通常作為熱鋼使用
|
| GH3030 |
0~1100 |
鎳基高溫合金鋼,具有優良抗氧化性,耐腐蝕型,通常作為耐熱鋼使用
|
|
本頁產品地址:http://m.521uz.com/sell/show-2479954.html

免責聲明:以上所展示的[
pt100,WZP-230,WZP=238 pt100熱電阻廠家/pt100熱電阻在線咨詢.pt100熱電阻現貨]信息由會員[
廣州漢川儀器儀表有限公司市場二部]自行提供,內容的真實性、準確性和合法性由發布會員負責。
[給覽網]對此不承擔任何責任。
友情提醒:為規避購買風險,建議您在購買相關產品前務必確認供應商資質及產品質量!