公司簡介
上海宇泰電器儀表實業公司(廣州總經銷)是一家專業生產配電盤安裝式儀表的公司。主要產品有各種型號的交直流電壓表,電流表,頻率表,功率表,功率因素表,各種數字顯示電力電工儀表,智能控制儀表,多功能電力網絡儀表,電力互感裝置,電流互感器,分流器,各類儀表配件,注塑成型,膠木成型。公司擁有一批長期從事儀表專業的中高級工程技術人員。公司實行電腦化管理系統,引進數字標準表作標準。
本公司主要生產85L17 69L17 69C17 85C17 91C4 91L4 1T1 1C2 42L6 42C3 44L1 44C2 6L2 6C2 85C1 85L1 81T2 59L1 59C2 69L9 69C9 69L13 69C13 6C4 62T51 62C5 DP35 HZ KW MZ-10.96T1.96L1.96C1.72T1.72L1.72C1.99T1.99L1.TF96.TF72.TF80.TF670.TF60.TF50.TF65.SD80.SD670.SD60.SD50.SD45.等型號電流電壓表。
公司網站:www.yutai020.com www.yutai0200.com
展開
產品說明
| 電流表 電壓表 頻率表85L1-A/V 85C1-A/V 85L1-HZ |
|
產品概述
85L1,85C1型電表是用途廣泛的直接作用模擬指示電測量儀表、適用于直流電路和交流電路測量:電壓、電流、功率、頻率和功率因數等電量參數。安裝式電表的優點是可以顯示被測量電量的變化趨勢:主要用于工礦企業,冶金,化工、電力、成套設備及各種電控裝置上。造型簡潔明快、美觀大方。產品性能符合GB/T7676-1998國家標準要求。 |
主要功能特點:交流電流表、電壓表、功率表、功率因數表、頻率表。
直流電流表、電壓表。 |
主要技術參數:
|
耐機械力性能
|
能 承受加速度為30米/秒2,及沖擊頻率每分鐘80~120次2小時的運輸顛震
|
|
防外磁場影響
|
在5奧斯特外界磁場作用下,所引起的指示值改變不超過±2.5%
|
|
絕緣強度
|
交流50Hz,2000V,歷時1分鐘
|
|
環境條件
|
溫度:-20~+40℃,相對濕度≤85%
(25℃) 阻尼響應時間≤4秒
|
|
工作位置
|
垂直使用
|
|
|
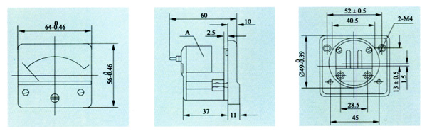
外形和包裝尺寸

|
|
| |
宇泰 電流表 電壓表 85L1-0.5A 85L1-500MA 85L1-1A 85L1-2A 85L1-3A 85L1-5A 85L1-10A 85L1-15A 85L1-20A 85L1-30A 85L1-20/5A 85L1-30/5A 85L1-50A 85L1-50/5A 85L1-75A 85L1-75/5A 85L1-100A 85L1-100/5A 85L1-150A 85L1-150/5A 85L1-200A 85L1-200/5A 85L1-250A 85L1-250/5A 85L1-300A 85L1-300/5A 85L1-400A 85L1-400/5A 85L1-500A 85L1-500/5A 85L1-600A 85L1-600/5A 85L1-750A 85L1-750/5A 85L1-800A 85L1-1000A 85L1-1500A 85L1-2000A 85L1-2500A 85L1-3000A 85L1-10V 85L1-15V 85L1-20V 85L1-30V 85L1-50V 85L1-75V 85L1-100V 85L1-150V 85L1-250V 85L1-300V 85L1-450V 85L1-500V 85L1-600V 85L1-HZ 380V 85L1-HZ 220V 85L1-HZ 100V 85C1-200MA 85C1-200UA 85C1-100UA 85C1-50UA 85C1-500UA 85C1-10MA 85C1-100MA 85C1-50MA 85C1-0.5A 85C1-500MA 85C1-1A 85C1-2A 85C1-3A 85C1-5A 85C1-10A 85C1-15A 85C1-20A 85C1-30A 85C1-50A 85C1-75A 85C1-100A 85C1-150A 85C1-200A 85C1-250A 85C1-300A 85C1-400A 85C1-500A 85C1-600A 85C1-750A 85C1-1000A 85C1-1500A 85C1-2000A 85C1-3000A 85C1-4000A 85C1-10V 85C1-15V 85C1-20V 85C1-30V 85C1-50V 85C1-75V 85C1-100V 85C1-150V 85C1-250V 85C1-300V 85C1-450V 宇泰 電流表 電壓表 85L1-0.5A 85L1-500MA 85L1-1A 85L1-2A 85L1-3A 85L1-5A 85L1-10A 85L1-15A 85L1-20A 85L1-30A 85L1-20/5A 85L1-30/5A 85L1-50A 85L1-50/5A 85L1-75A 85L1-75/5A 85L1-100A 85L1-100/5A 85L1-150A 85L1-150/5A 85L1-200A 85L1-200/5A 85L1-250A 85L1-250/5A 85L1-300A 85L1-300/5A 85L1-400A 85L1-400/5A 85L1-500A 85L1-500/5A 85L1-600A 85L1-600/5A 85L1-750A 85L1-750/5A 85L1-800A 85L1-1000A 85L1-1500A 85L1-2000A 85L1-2500A 85L1-3000A 85L1-10V 85L1-15V 85L1-20V 85L1-30V 85L1-50V 85L1-75V 85L1-100V 85L1-150V 85L1-250V 85L1-300V 85L1-450V 85L1-500V 85L1-600V 85L1-HZ 380V 85L1-HZ 220V 85L1-HZ 100V 85C1-200MA 85C1-200UA 85C1-100UA 85C1-50UA 85C1-500UA 85C1-10MA 85C1-100MA 85C1-50MA 85C1-0.5A 85C1-500MA 85C1-1A 85C1-2A 85C1-3A 85C1-5A 85C1-10A 85C1-15A 85C1-20A 85C1-30A 85C1-50A 85C1-75A 85C1-100A 85C1-150A 85C1-200A 85C1-250A 85C1-300A 85C1-400A 85C1-500A 85C1-600A 85C1-750A 85C1-1000A 85C1-1500A 85C1-2000A 85C1-3000A 85C1-4000A 85C1-10V 85C1-15V 85C1-20V 85C1-30V 85C1-50V 85C1-75V 85C1-100V 85C1-150V 85C1-250V 85C1-300V 85C1-450V 宇泰 電流表 電壓表 85L1-0.5A 85L1-500MA 85L1-1A 85L1-2A 85L1-3A 85L1-5A 85L1-10A 85L1-15A 85L1-20A 85L1-30A 85L1-20/5A 85L1-30/5A 85L1-50A 85L1-50/5A 85L1-75A 85L1-75/5A 85L1-100A 85L1-100/5A 85L1-150A 85L1-150/5A 85L1-200A 85L1-200/5A 85L1-250A 85L1-250/5A 85L1-300A 85L1-300/5A 85L1-400A 85L1-400/5A 85L1-500A 85L1-500/5A 85L1-600A 85L1-600/5A 85L1-750A 85L1-750/5A 85L1-800A 85L1-1000A 85L1-1500A 85L1-2000A 85L1-2500A 85L1-3000A 85L1-10V 85L1-15V 85L1-20V 85L1-30V 85L1-50V 85L1-75V 85L1-100V 85L1-150V 85L1-250V 85L1-300V 85L1-450V 85L1-500V 85L1-600V 85L1-HZ 380V 85L1-HZ 220V 85L1-HZ 100V 85C1-200MA 85C1-200UA 85C1-100UA 85C1-50UA 85C1-500UA 85C1-10MA 85C1-100MA 85C1-50MA 85C1-0.5A 85C1-500MA 85C1-1A 85C1-2A 85C1-3A 85C1-5A 85C1-10A 85C1-15A 85C1-20A 85C1-30A 85C1-50A 85C1-75A 85C1-100A 85C1-150A 85C1-200A 85C1-250A 85C1-300A 85C1-400A 85C1-500A 85C1-600A 85C1-750A 85C1-1000A 85C1-1500A 85C1-2000A 85C1-3000A 85C1-4000A 85C1-10V 85C1-15V 85C1-20V 85C1-30V 85C1-50V 85C1-75V 85C1-100V 85C1-150V 85C1-250V 85C1-300V 85C1-450V 宇泰 電流表 電壓表 85L1-0.5A 85L1-500MA 85L1-1A 85L1-2A 85L1-3A 85L1-5A 85L1-10A 85L1-15A 85L1-20A 85L1-30A 85L1-20/5A 85L1-30/5A 85L1-50A 85L1-50/5A 85L1-75A 85L1-75/5A 85L1-100A 85L1-100/5A 85L1-150A 85L1-150/5A 85L1-200A 85L1-200/5A 85L1-250A 85L1-250/5A 85L1-300A 85L1-300/5A 85L1-400A 85L1-400/5A 85L1-500A 85L1-500/5A 85L1-600A 85L1-600/5A 85L1-750A 85L1-750/5A 85L1-800A 85L1-1000A 85L1-1500A 85L1-2000A 85L1-2500A 85L1-3000A 85L1-10V 85L1-15V 85L1-20V 85L1-30V 85L1-50V 85L1-75V 85L1-100V 85L1-150V 85L1-250V 85L1-300V 85L1-450V 85L1-500V 85L1-600V 85L1-HZ 380V 85L1-HZ 220V 85L1-HZ 100V 85C1-200MA 85C1-200UA 85C1-100UA 85C1-50UA 85C1-500UA 85C1-10MA 85C1-100MA 85C1-50MA 85C1-0.5A 85C1-500MA 85C1-1A 85C1-2A 85C1-3A 85C1-5A 85C1-10A 85C1-15A 85C1-20A 85C1-30A 85C1-50A 85C1-75A 85C1-100A 85C1-150A 85C1-200A 85C1-250A 85C1-300A 85C1-400A 85C1-500A 85C1-600A 85C1-750A 85C1-1000A 85C1-1500A 85C1-2000A 85C1-3000A 85C1-4000A 85C1-10V 85C1-15V 85C1-20V 85C1-30V 85C1-50V 85C1-75V 85C1-100V 85C1-150V 85C1-250V 85C1-300V 85C1-450V 宇泰 電流表 電壓表 85L1-0.5A 85L1-500MA 85L1-1A 85L1-2A 85L1-3A 85L1-5A 85L1-10A 85L1-15A 85L1-20A 85L1-30A 85L1-20/5A 85L1-30/5A 85L1-50A 85L1-50/5A 85L1-75A 85L1-75/5A 85L1-100A 85L1-100/5A 85L1-150A 85L1-150/5A 85L1-200A 85L1-200/5A 85L1-250A 85L1-250/5A 85L1-300A 85L1-300/5A 85L1-400A 85L1-400/5A 85L1-500A 85L1-500/5A 85L1-600A 85L1-600/5A 85L1-750A 85L1-750/5A 85L1-800A 85L1-1000A 85L1-1500A 85L1-2000A 85L1-2500A 85L1-3000A 85L1-10V 85L1-15V 85L1-20V 85L1-30V 85L1-50V 85L1-75V 85L1-100V 85L1-150V 85L1-250V 85L1-300V 85L1-450V 85L1-500V 85L1-600V 85L1-HZ 380V 85L1-HZ 220V 85L1-HZ 100V 85C1-200MA 85C1-200UA 85C1-100UA 85C1-50UA 85C1-500UA 85C1-10MA 85C1-100MA 85C1-50MA 85C1-0.5A 85C1-500MA 85C1-1A 85C1-2A 85C1-3A 85C1-5A 85C1-10A 85C1-15A 85C1-20A 85C1-30A 85C1-50A 85C1-75A 85C1-100A 85C1-150A 85C1-200A 85C1-250A 85C1-300A 85C1-400A 85C1-500A 85C1-600A 85C1-750A 85C1-1000A 85C1-1500A 85C1-2000A 85C1-3000A 85C1-4000A 85C1-10V 85C1-15V 85C1-20V 85C1-30V 85C1-50V 85C1-75V 85C1-100V 85C1-150V 85C1-250V 85C1-300V 85C1-450V 宇泰 電流表 電壓表 85L1-0.5A 85L1-500MA 85L1-1A 85L1-2A 85L1-3A 85L1-5A 85L1-10A 85L1-15A 85L1-20A 85L1-30A 85L1-20/5A 85L1-30/5A 85L1-50A 85L1-50/5A 85L1-75A 85L1-75/5A 85L1-100A 85L1-100/5A 85L1-150A 85L1-150/5A 85L1-200A 85L1-200/5A 85L1-250A 85L1-250/5A 85L1-300A 85L1-300/5A 85L1-400A 85L1-400/5A 85L1-500A 85L1-500/5A 85L1-600A 85L1-600/5A 85L1-750A 85L1-750/5A 85L1-800A 85L1-1000A 85L1-1500A 85L1-2000A 85L1-2500A 85L1-3000A 85L1-10V 85L1-15V 85L1-20V 85L1-30V 85L1-50V 85L1-75V 85L1-100V 85L1-150V 85L1-250V 85L1-300V 85L1-450V 85L1-500V 85L1-600V 85L1-HZ 380V 85L1-HZ 220V 85L1-HZ 100V 85C1-200MA 85C1-200UA 85C1-100UA 85C1-50UA 85C1-500UA 85C1-10MA 85C1-100MA 85C1-50MA 85C1-0.5A 85C1-500MA 85C1-1A 85C1-2A 85C1-3A 85C1-5A 85C1-10A 85C1-15A 85C1-20A 85C1-30A 85C1-50A 85C1-75A 85C1-100A 85C1-150A 85C1-200A 85C1-250A 85C1-300A 85C1-400A 85C1-500A 85C1-600A 85C1-750A 85C1-1000A 85C1-1500A 85C1-2000A 85C1-3000A 85C1-4000A 85C1-10V 85C1-15V 85C1-20V 85C1-30V 85C1-50V 85C1-75V 85C1-100V 85C1-150V 85C1-250V 85C1-300V 85C1-450V |
本頁產品地址:http://m.521uz.com/sell/show-101377.html