無錫海萬K23JD-08BW 截止換向閥

K23J-BW系列是二位三通管接截止換向閥。該閥結構合理,動作可靠,維修方便,尤其適用于較為惡劣的工作環境。分電控和氣控兩種。閥體主要材料為鋁合金,重量輕。密封件采用耐磨橡膠,壽命長。適合于鋼鐵,礦山,冶金等行業沖床、磚機用。工作壓力為:0.2~0.8MPa。閥體上有三個口,分別為:P(進氣口)、A(工作口)、O(排氣口)...
| K23JD-08BW,K23JD-10BW,K23JD-15BW |
一、產品簡介
K23J-BW系列是二位三通管接截止換向閥。該閥結構合理,動作可靠,維修方便,尤其適用于較為惡劣的工作環境。分電控和氣控兩種。
閥體主要材料為鋁合金,重量輕。密封件采用耐磨橡膠,壽命長。適合于鋼鐵,礦山,冶金等行業沖床、磚機用。
工作壓力為:0.2~0.8MPa。閥體上有三個口,分別為:P(進氣口)、A(工作口)、O(排氣口)。工作狀態為:線圈不通電時,P與A不相通;線圈通電時,P與A相通。
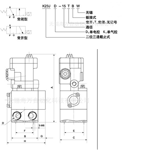
二、產品尺寸圖
三、截止換向閥參數:
|
型號 |
公稱通徑 |
接管螺紋 |
A |
B |
C |
E |
F |
G |
H |
|
K23JD-08BW |
Φ8 |
G1/4 |
179 |
66 |
90 |
50 |
46 |
20 |
99 |
|
K23JD-10BW |
Φ10 |
G3/8 |
|||||||
|
K23JD-15BW |
Φ15 |
G1/2 |
|||||||
|
K23JD-20BW |
Φ20 |
G3/4 |
203 |
78 |
117 |
70 |
60 |
22 |
127 |
|
K23JD-25BW |
Φ25 |
G1 |
|||||||
|
K23JD-32BW |
Φ32 |
G1/4 |
218 |
78 |
117 |
70 |
60 |
22 |
127 |
|
K23JD-40BW |
Φ40 |
G1/2 |
|
技術指標型號 |
流通特性Smin mm2 |
換向時間 s |
泄流量 ml/min |
工作時間 |
|
K23JD-08BW |
20 |
≤0.04 |
≤50 |
0.2-0.8 |
|
K23JD-10BW |
40 |
≤0.06 |
≤100 |
|
|
K23JD-15BW |
60 |
|||
|
K23JD-20BW |
110 |
≤0.10 |
≤200 |
|
|
K23JD-25BW |
190 |
|||
|
K23JD-32BW |
300 |
≤0.15 |
≤300 |
|
|
K23JD-40BW |
400 |
四、安裝與使用
1.使用前注意檢查組件在運輸過程中是否損壞,然后安裝使用;
2.安裝時請注意氣體流動方向及接管牙型是否正確。使用介質必須經過濾芯過濾;
3.請注意安裝條件是否符合技術要求(如“工作壓力”、“使用溫度范圍”等),然后安裝使用;
4.盡量避免在震動的環境下使用,并注意低溫下的防凍措施;
5.連接主管路時,注意止泄帶纏繞不可超過接頭牙端面,并注意清除管路接頭內的粉塵、鐵屑等贓物;
6.安裝時先將底座墊片壓入底座,然后將底座與閥體用所配螺釘連接,暫時未用到的安裝位置可壓入底座墊片后用所附盲蓋密封,待系統擴充時再將盲蓋取下裝入相應電磁閥;
7.請注意防塵,拆下不用時應在進、出氣口裝防塵套。
無錫型截止換向閥系列,無錫海萬生產,廠家直銷。
可訂購型號:
|
K23JD-32BW,K23JD-40BW
|
|
如果您覺得“無錫海萬K23JD-08BW 截止換向閥”描述資料不夠齊全,請聯系我們獲取詳細資料。(聯系時請告訴我從給覽網看到的,我們將給您最大優惠!)
本頁鏈接:http://m.521uz.com/com_wxhaiwan88/sell/itemid-9037526.html
已經有983位訪客查看了本頁.






