產品簡介
適用于低溫到高溫,真空到高壓等各種環境,是石油、化工等工業部門的理想液位測量產品。根據在容器中安裝位置的不同,提供側裝和頂裝兩
公司簡介
江蘇金湖鼎誠儀表有限公司位于、風景秀逸、素有“儀表之鄉、魚米之鄉、荷藕之鄉”之稱的江蘇省金湖縣。我公司是專業生產和銷售溫度儀表、壓力儀表、流量儀表、物位儀表、校準儀表、顯示儀表,及其他各類儀表的有限責任公司。本公司是江蘇省“高新技術企業”、江蘇省“重合同守信用單位”,并已通過ISO9001-2000質量管理體系認證。企業技術力量雄厚,工藝裝備先進,不但具有自主研發能力,目前還與國內多所高校學院建立了密切的技術合作關系。我公司擁有資深的專業技術工程師、實施咨詢顧問和項目管理專家,建立規模化、規范化的產品研發、市場銷售和客戶服務體系。產品性能穩定,可靠。同時公司與各著名品牌的專業公司保持著密切的業務伙伴關系,努力把高性能、高品質、高性價比的產品介紹給相關領域的客戶朋友,為客戶提供最佳的解決方案。
公司本著“誠信立企,德行天下”的指導思想,以誠信求生存,以質量求發展,期待與國內外廣大客戶建立真誠、穩定的合作關系,共創事業輝煌。
展開
產品說明
適用于低溫到高溫,真空到高壓等各種環境,是石油、化工等工業部門的理想液位測量產品。根據在容器中安裝位置的不同,提供側裝和頂裝兩種形式。根據工作介質不同,提供不銹鋼和ABS、PP-R工程塑料三種材質,其中ABS、PP-R材質適用于酸、堿等腐蝕性介質。
| |
|
特點
|
|
|
1、以浮子為測量元件,磁鋼驅動翻柱顯示,無需能源。
2、配上下限開關輸出,可實現遠距報警,限位控制。
3、配變送器可實現液位遠距報指示,檢測與控制。
|
|
結構及工作原理
|
|
|
1、基本型
根據浮力原理,浮子在測量管內隨液位的升降而上、下移動,浮子內的磁鋼通過耦合作用,驅動紅、白色翻柱翻轉180°,液位上升時翻柱由白色轉為紅色,下降時由紅色轉為白色,從而實現磁翻板液位計液位指示。
2、電遠傳
在浮子液位計上安裝變送器,通過浮子上下移動,經磁耦合作用使導桿內測量元件依次動作,獲得電阻信號變化,轉換成0~10mA或4~20mA的標準信號輸出,與顯示儀表或計算機連接,達到磁翻板液位計遠傳目的。
3、上下限開關輸出
在液位計立管上由用戶設定上、下限位置安裝控制器,控制器內帶有自保持作用的舌簧開關,利用磁性浮子隨液位移動使簧片開關動作時,實現磁翻板液位計報警或限位控制。
|
|
|
| 系統構成及接線 |
1、上下限開關輸出
由具有自保持作用的舌簧開關和轉換器組成,舌簧開關和轉換器分別安裝于現場和控制室,由轉換器提供三對觸點開關。
2、電遠傳
由測量單元和變送單元兩部分組成。
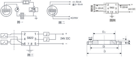
3、本安防爆
a 帶本安防爆,上、下限開關輸出型磁翻板液位計
防爆開關由舌簧開關和帶繼電器觸點的安全柵組成,可向用戶直接提供一對常開或常閉觸點。如用戶需更多觸點可特殊設計訂貨。(圖三)
b 帶本安防爆遠傳型磁翻板液位計
適合使用于∏類電氣設備(工廠用)、C級氣體,zui高表面溫度組別T4(135℃)。(圖四)
c 使用注意事項
①變送器外殼設有外接地,用戶使用時必須可靠接地。
②安全柵的使用應遵守有關使用說明內容。
③變送器與安全柵本安端的連接電纜為二芯屏蔽電纜,芯線截面積>0.5m ,電纜允許分布電容為0.8μF |
|
|
| 用戶自備法蘭 |
| 安裝形式 |
主體材質 |
公稱直徑 |
公稱壓力 |
D |
D1 |
D2 |
n |
d |
f |
b |
| 側裝 |
不銹鋼 |
20 |
4.0 |
105 |
75 |
56 |
4 |
14 |
2 |
16 |
| ABS |
20 |
10 |
105 |
75 |
56 |
4 |
14 |
2 |
16 |
| 頂裝 |
不銹鋼 |
200 |
2.5 |
360 |
310 |
274 |
12 |
26 |
3 |
32 |
| ABS |
200 |
0.6 |
320 |
280 |
274 |
8 |
8 |
3 |
32 |
|
| 主要技術指標 |
| 安裝形式內容 |
側裝式 |
頂裝式 |
安裝間距
(測量范圍) |
不銹鋼 |
500~5000(mm) |
500-2500(mm) |
| ABS、PP-R |
500~4000(mm) |
| 工作壓力 |
0.6,1.6,2.5,4.0MPa |
0.6,1.6,2.5MPa |
| 介質密度 |
>0。6g/c |
>0.76g/c |
| 法蘭連接 |
不銹鋼 |
法蘭20-40(DN20 PN1.0-4.0)
(GB9119-88)
|
法蘭200-25(DN200 PN1.6)
(GB9119-88) |
| ABS |
法蘭20-10(DN20 PN1.0)
(GB9119-88)
|
法蘭200-6(DN200 PN0.6)
(GB9119-88) |
| 主體材料 |
ICr18Ni9Ti、ABS、PP-R(工作壓力0.6MPa) |
| 介質溫度 |
-40~100℃(ABS、PP-R:-40~80℃) |
| 環境溫度 |
-40~+70℃ |
| 示值誤差 |
±100mm |
| 介質粘度 |
≤1st(10-4 /s) |
上、下限
開關輸出 |
1、控制靈敏度:10mm
2、輸出接點容量:AC220V 2A
3、接點壽命:5×104次
4、防爆特征:iaIICT4本質安全型 |
電遠傳、
連續顯示 |
1、精度:±1.5%
2、輸出負載:750Ω
3、輸出信號:0~10mA輸出,220V AC電源
4~20mA輸出,24V DC二線制
4、防爆特征:iaIICT4本質安全型 |
|
|
型號說明
|
| UFZ系列磁翻板液位計 |
| |
1 側裝式
2 頂裝式 |
安裝方式 |
| |
1 1Cr18Ni9Ti
2 ABS
3 PP-R |
主體材質 |
| |
1 0.6MPa
2 1.6MPa
3 2.5MPa
4 4.0Mpa |
公稱壓力 |
| |
1 基本型
2 帶上下限開關輸出
3 帶電遠傳(0~10mA輸出,220V,AC)
4 帶電遠傳(4~20mA輸出,24V,DC)
5 帶本安防爆型(4~20mA,24V,DC)
6 帶本安防爆型上下限開關輸出 |
類型 |
| |
L 安裝間距(測量范圍) |
|
| |
L1 安裝深度(頂裝式(0~4000mm任選) |
|
| |
介質密度ρ(g/c ) |
|
| |
|
| UFZ- |
2 |
2 |
1 |
1 |
L=2500mm |
L1=3000mm |
ρ=0.8g/c |
舉例 |
|
磁翻板液位計
江蘇金湖鼎誠儀表有限公司主營電磁流量計、渦街流量計,磁翻板液位計等儀器儀表,更多產品請登錄 http://www.china-dcyb.com,24小時:。
本頁產品地址:http://m.521uz.com/sell/show-169841.html

免責聲明:以上所展示的[
磁翻板液位計]信息由會員[
金湖鼎誠儀表有限公司]自行提供,內容的真實性、準確性和合法性由發布會員負責。
[給覽網]對此不承擔任何責任。
友情提醒:為規避購買風險,建議您在購買相關產品前務必確認供應商資質及產品質量!