| 提交詢價信息 |
| 發布緊急求購 |
價格:電議
所在地:江蘇 淮安市
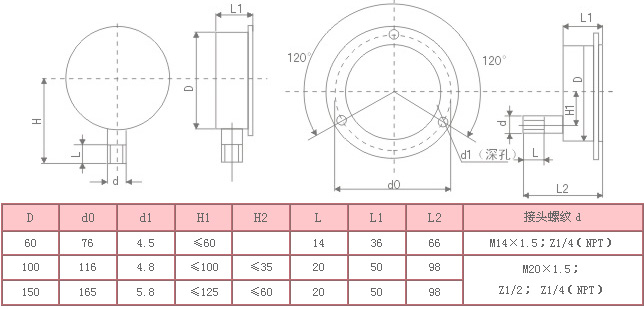
型號:Y-60B/100B150B
更新時間:2011-06-14
瀏覽次數:1598
公司地址:江蘇金湖開發區
![]()
徐于華(先生) 經理
江蘇中儀自動化儀表有限公司是專業研發、生產及銷售工業自動化產品,并提供工業自動化系統集成技術服務的高新技術企業,是我國目前按行業規模起步建設與發展的,綜合性工業自動化產品研發、生產企業。
公司一直注重于高新技術的研發和先進設備的生產應用,現已成為成熟的智能壓力檢測、物位檢測、流量檢測、顯示調節控制等全系列工業自動化儀表的研發、生產制造基地。產品廣泛應用于鋼鐵、有色冶金、石油化工、電力、城市集中供熱、水/污水處理、食品加工、制藥等領域。目前,公司擁有近萬平米生產辦公大樓,多個專業生產車間及標定檢測線,200多名員工,技術與銷售服務網絡遍及華南、華東、華北、西南、西北各省,年銷工業自動化儀表產品二十多萬臺/套。
我們本著質量第一,服務第一,誠信第一的宗旨。愿與客戶攜手,與科技同行,以全新的營銷策略,走向更廣闊的市場。
中儀文化是中儀人的價值觀!這個價值觀的核心是創新。他大致分為三部分,物質文化、精神文化、體制文化。
中儀擁有雄厚的技術力量、先進的生產設備,科學合理的生產工藝,健全的質保體系,為產品的高標準提供了有力的保障。企業生產的標準校驗裝置、電磁流量計、渦街流量計、孔板流量計、金屬管轉子流量計、精密數字壓力計、物位計、壓力表、隔膜壓力表、不銹鋼壓力表、熱電阻、熱電偶、雙金屬溫度計、壓力變送器、差壓變送器、靜高壓變送器、無紙記錄儀、電接點壓力表、一體化溫度變送器、導納料位儀、智能壓力效驗儀等產品在石化、電力、冶金以及國防等行業的自動化控制中得到了廣泛的應用。代理的德國KROHNE、橫河EJA等我廠產品也為國內各行業提供了大量技術先進、可靠實用的測量控制儀表,深受用戶歡迎。



免責聲明:以上所展示的[Y-60B/100B150B 不銹鋼壓力表]信息由會員[江蘇中儀自動化儀表有限公司]自行提供,內容的真實性、準確性和合法性由發布會員負責。