| 提交詢價信息 |
| 發布緊急求購 |
價格:電議
所在地:浙江 溫州市
型號:
更新時間:2011-10-17
瀏覽次數:1648
公司地址:浙江溫州市龍灣區沙城鎮永強大道2912號2樓
![]()
王琴(女士)
【產品介紹】


功 能:
HF系列數顯推拉力計是一種高精度小型便攜式拉力、壓力測試儀器。廣泛應用于高低壓電器、電子、五金制鎖、汽車配件、打火機及點火裝置、制筆、輕工、建筑、漁具、紡織、化工、機械、IT等行業和科研機構作拉壓負荷、插拔力測試、破壞性試驗等,是數字型的新一代拉壓力測試儀器。
特 點:
可連接電腦測試,電腦上同步顯示測試力曲線圖及測試過程中詳細的測試力的記錄,并可保存、打印,做各種分析,輸入速度、面積還可顯示位移、壓強等參數。
比較值可自行設定功能——可在測試力超過比較值時,輸出信號來控制繼電器的通斷,以便實現諸如電動機停止運轉等功能,實現自動控制;亦可利用這個信號實現其他控制功能,如將信號輸入PLC,實現自動化。還可定制信號輸出方式,如在某一段測試力范圍內輸出信號。儀器側面有一插孔,將連接線一頭插入此插孔(插座),另一頭插入本公司生產的電動測試臺上的插孔(插座),就可在測試力超過比較值時,實現自動停止電動機運轉的功能。
在“AUTO PEAK”狀態下,儀器會自動儲存測試峰值,按“記憶”鍵可翻看儲存的數據,也可通過配套光盤上的“數據導出程序”,將數據導入電腦,程序會自動顯示“zui大值、zui小值、平均值、偏差值、合格zui大值、合格zui小值、合格平均值、測試數、合格數”等數據,供使用者分析使用(詳見光盤上相應說明)——與電腦連接導出數據時,界面友好,通過配套的數據線連機,正常開機界面下就可使用。同時提供中英文兩種界面的程序。
特大記憶儲存功能——能儲存896個測試值。可在“PEAK”(按“峰值”鍵1次)狀態下手動儲存,也可在“AUTO PEAK”(按“峰值”鍵2次)狀態下自動儲存。按“記憶”鍵能依次查看儲存的記憶值,也可通過配套光盤上的“數據導出程序”,將數據導入電腦。
背光功能——使用按鍵或儀器受力時背光自動點亮,10秒鐘無動作自動關閉背光;也可按“設置”鍵6次,進入“light”狀態,選擇“NO”關閉背光,選擇“YES”開啟自動背光功能。
LCD液晶顯示屏翻轉顯示——按“打印”鍵可使讀數180度倒轉顯示,方便從不同角度觀看測試值。
自動峰值功能——按“峰值”鍵2下,屏幕上顯示“AUTO PEAK”,按“存儲”鍵,進入自動峰值設置界面后,按“打印”鍵,可依次設置自動峰值時間(即測試值在屏幕上保留的時間),從1秒到9秒,選定時間后,按“設置”鍵保存并退出自動峰值時間設置。儀器出廠時默認時間為3秒鐘。
自動關機時間設置——可設定10分鐘到90分鐘自動關機,也可設定不自動關機。按“設置”鍵7次,進入“OFFT.”界面,按“打印”鍵,可選擇自動關機時間,選“00”不自動關機,選定后按“設置”鍵保存并退出。儀器默認設置為50分鐘。
電池容量顯示——分3格、2格、1格,電量過低時儀器自動關機。
計量校正——當計量部門需要對儀器進行校正時,可長按住“記憶”鍵的同時按“開機”鍵,直到開機顯示一排數字,按“設置”鍵,顯示“FULL”,接著顯示一排數字,掛上滿量程相應砝碼,穩定后按“設置”鍵,自動關機,校正結束,校正數據儲存在儀器里。若校正數值有誤,長按“設置”鍵會恢復到出廠設置狀態;長按“存儲”鍵會恢復到上一次校正狀態。
意外死機快速復位——在側面安排了復位鍵,用硬物按復位開關,就可關機。
高精度高分辨率——zui高精度 0.5 級,zui小讀數 0.0001kg。
五種測試模式、三種顯示方式可供選擇——zui大程度提高測試效率。
N (牛頓)、kg (公斤)、lb (磅)三種計測單位可供選擇、相互換算。
重力加速度值設置功能——用戶可自行輸入使用地的重力加速度精確值,使測試及單位換算更精確,更適合出口。
峰值保持功能——抓取測試峰值并保持顯示直至手動解除。
自動峰值功能——保持顯示峰值 2 秒后自動解除(便于測試者觀察)。
比較統計功能——可設定上下限及比較值作統計分析。
數據輸出功能——可將測試數據通過數據線輸入電腦做各種分析。
特有的開關節點通斷力測試功能,使開關通斷力測試更精確。
高品質充電電源。充電電壓從100V 至 240V 可用,可適應國內外絕大多數地區。還有短路、漏電、過載保護功能。
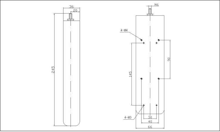
2 套安裝尺寸,適應國內外多數測試機臺,方便用戶安裝到機臺上使用。
綠色環保,自動關機功能。
6 位大屏幕顯示。
規格參數:
|
型號規格
|
HF-2
|
HF-3
|
HF-5
|
HF-10
|
HF-20
|
HF-30
|
HF-50
|
HF-100
|
HF-200
|
HF-300
|
HF-500
|
HF-1000
|
|
|
zui大負荷值
|
2N
|
3N
|
5N
|
10N
|
20N
|
30N
|
50N
|
100N
|
200N
|
300N
|
500N
|
1000N
|
|
|
負荷分度值
|
0.001N
|
0.001N
|
0.001N
|
0.01N
|
0.01N
|
0.01N
|
0.01N
|
0.1N
|
0.1N
|
0.1N
|
0.1N
|
1N
|
|
|
傳感器結構
|
S型高精度傳感器(內置式)
|
||||||||||||
|
精 度
|
±0.5%
|
||||||||||||
|
外形尺寸
|
230x66x36mm
|
||||||||||||
|
型號規格
|
HF-2000
|
HF-3000
|
HF-5000
|
HF-10K
|
HF-20K
|
HF-30K
|
HF-50K
|
HF-100K
|
HF-200K
|
HF-300K
|
HF-500K
|
HF-1000K
|
|
|
zui大負荷值
|
2000N
|
3000N
|
5000N
|
10KN
|
20KN
|
30KN
|
50KN
|
100KN
|
200KN
|
300KN
|
500KN
|
1000KN
|
|
|
負荷分度值
|
1N
|
1N
|
1N
|
0.01KN
|
0.01KN
|
0.01KN
|
0.1KN
|
0.1KN
|
0.1KN
|
0.1N
|
0.1KN
|
1KN
|
|
|
傳感器結構
|
S型高精度傳感器(外置式)
|
柱形或輪輻式(外置式)
|
|||||||||||
|
精 度
|
±0.5%
|
±1%
|
|||||||||||
|
外形尺寸
|
230x66x36mm
|
||||||||||||
同步測試軟件功能:
同步測試就是用數顯式推拉力計連接電腦測試,在電腦會同步顯示測試力曲線圖及測試過程中詳細的測試力的記錄,并可保存、打印,做各種分析,輸入速度、面積還可以顯示位移、壓強等參數。(注:軟件現免費供應用戶使用)
示意圖如下:

動畫演示:http://www.aliyiqi.com/101.htm
類別:

結構圖:

適配測試臺:
![]() |
![]() |
![]() |
![]() |
|
AEH電動臥式機臺
|
AEL電動單柱機臺
|
ASL螺旋式立臥兩用測試臺
|
ALX螺旋式測試架系列
|
![]() |
![]() |
![]() |
![]() |
|
AEV電動立式機臺
|
AMH手動臥式測試臺
|
ASC手動立式側搖測試臺
|
AST-J手壓式拉壓測試臺
|
免責聲明:以上所展示的[ 推拉力計]信息由會員[溫州市精密測量檢測儀器有限公司]自行提供,內容的真實性、準確性和合法性由發布會員負責。