產品簡介
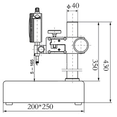
手動硅片測厚儀 適用于硅片、箔片等各種材料的厚度測量。功能特點 ■花崗巖底座,具有優良的物理性能,高的尺寸穩定性,受環境溫
公司簡介
北京羲和陽光科技發展有限公司是一家新能源科技公司,致力于太陽能光伏產業。提供光伏生產所用硅料的分選、檢驗、檢測設備及相關設備配件,幫助您識別高質量的硅料,減少采購或銷售的風險。
我公司經營的主要產品有:硅料分選測試儀(電阻率,PN型識別)、電阻測試儀、排重摻測試儀、少子壽命測試儀、測厚儀、碳氧磷硼含量測試儀,表面線痕測試儀,光譜橢偏儀,透過率測試儀、相關產品配件,以及鎵摻雜劑、母合金摻雜劑,異丙醇,雙氧水等耗材。
羲和的名稱來源于中國的太陽神羲和女神,作為太陽能光伏產業的一份子,為提高太陽能電池生產過程的可控性,最大限度的減少過程風險,羲和科技在不懈追求、積極探索,我們深感肩頭的重任,我們會倍加努力,持之以恒,給您提供最優質的產品、最優惠的價格和最滿意的服務。
展開
產品說明
手動硅片測厚儀
適用于硅片、箔片等各種材料的厚度精確測量。
功能特點
■花崗巖底座,具有優良的物理性能,極高的尺寸穩定性,受環境溫度變化影響小,外形美觀。
■測量范圍:0-1mm ;0-3mm;0-5mm;
■精度:1μm。
■參考規格如下(規格可免費定制):
本頁產品地址:http://m.521uz.com/sell/show-169774.html

免責聲明:以上所展示的[
手動硅片測厚儀]信息由會員[
北京羲和陽光科技發展有限公司]自行提供,內容的真實性、準確性和合法性由發布會員負責。
[給覽網]對此不承擔任何責任。
友情提醒:為規避購買風險,建議您在購買相關產品前務必確認供應商資質及產品質量!