產品簡介
您所在的位置:產品展示 >>> 流量儀表 >>> >>>電磁流量計
公司簡介
江蘇普能儀表有限公司座落于一代偉人周總理的故鄉--淮安市,是以流量、壓力、溫度、校驗、顯示、記錄儀表為主導產品的公司。 公司現有員工多人,其中有各類高、中級專業技術人員多人,公司本著”質量第一、用戶至上”的原則,以產品質量為中心, 建立了完整的產品質量保證體系,通過采用新技術、新工藝,向用戶提供了質 量可靠、性價比優越的產品。 江蘇普能儀表有限公司經過多年發展,憑借先進的企業經營、高質量的生產管理及優秀的市場服務體系,產品覆蓋了全國20多個省、市、自治區,廣泛用于石油、化工、醫藥、冶金、造紙、 食品、市政等領域,在廣大用戶中享有較高的聲譽。 面向未來,普能期待您的垂詢
展開
產品說明
| 您所在的位置:產品展示 >>> 流量儀表 >>> >>>電磁流量計 |
產品[電磁流量計]的詳細資料 |
 |
 放大圖片
|
|
|
產品型號:
|
PNLXD |
|
產品名稱:
|
電磁流量計 |
|
產品特點:
|
|
|
 |
電磁流量計的詳細資料: |
 |
|
|
|
| |
|
|
|
概述
|
|
| 電磁流量計是一種根據法拉電磁感應定律來測量管內導電介質體積流量的感應式儀表,采用單片機嵌入式技術,實現數字勵磁,同時在電磁流量計上采用CAN現場總線,屬國內首創,技術達到國內水平。電磁流量計在滿足現場顯示的同時,還可以輸出4~20mA電流信號供記錄、調節和控制用,現已廣泛地應用于化工、環保、冶金、醫藥、造紙、給排水等工業技術和管理部門。電磁流量計除可測量一般導電液體的流量外,還可測量液固兩相流,高粘度液流及鹽類、強酸、強堿液體的體積流量。 |
 |
|
|
特點
|
|
|
●儀表結構簡單、可靠、無可動部件,工作壽命長。
●無截流阻流部件,不存在壓力損失和流體堵塞現象。
●無機械慣性,響應快速,穩定性好,可應用于自動檢測、調節和程控系統。
●測量精度不受被測介質的種類及其溫度、粘度、密度、壓力等物理理參數的影響。
●采用聚四氟乙烯或橡膠材質襯里和HC、HB、316L、Ti 等電極材料的不同組合可適應不同介質的需要。
●備有管道式、插入式等多種流量計型號。
●采用EEPROM存貯器,測量運算數據存貯保護安全可靠。
●具備一體化和分離型兩種形式。
●高清晰LCD背光顯示。
|
技術參數 |
表1
|
| 適用管徑 |
DN25~DN2600(DN25以下為非標) |
| 電極材料 |
316L(不銹鋼)、HC(哈氏C)、HB(哈氏B)、Ti(鈦)、Ta(鉭) |
| 適用介質 |
導電率>5us/cm的液體 |
| 測量范圍 |
0.1~10m/s(可擴展到15m/s) |
| 量程上限 |
0.5~10m/s,推薦1~5m/s |
| 精度等級 |
0.3級、0.5級、1.0級(隨口徑區分) |
| 輸出信號 |
4~20mADC,負載≤750Ω;0~3KHz,5V有源,可變脈寬,高端有效頻率輸出:RS485接口 |
| 工作壓力 |
1.0MPa,1.6MPa,4.0MPa,16MPa(特殊) |
| 流體溫度 |
-20℃~80℃,80℃~130℃,130℃~180℃ 參考襯里材質 |
| 環境溫度 |
傳感器-40℃~80℃;轉換器-15℃~50℃ |
| 環境溫度 |
≤85RH(20℃時) |
| 電纜出口尺寸 |
M20×1.5 |
| 供電電源 |
220VAC±10%;50Hz±1Hz;24VDC±10% |
| 功 耗 |
≤8W |
| 外殼防護等級 |
一體式:IP65分體式:傳感器IP68轉換器IP65 |
| 接地環材質 |
1Cr18Ni9Ti(不銹鋼)、HC(哈氏C)、Ti(鈦)、Ta(鉭)、Cu(銅) |
| 連接法蘭 |
國標GB9119-88(DIN2051,BS4504) |
|
工作原理 |
|
電磁流量計測量原理是基于法拉第電磁感應定律。流量計的測量管是一內襯絕緣材料非導磁合金短管。兩只電極沿管徑方向穿通壁固定在測量管上。其電極頭與襯里內表面基本齊平。勵磁線圈由雙向方波脈沖勱磁時,將在與測量管軸線垂直的方向上產生一磁通量密度為B的工作磁場。此時,如果具有一定電導率的液體流經測量管,將切割磁力線感應出電動勢E。電動勢E正比于磁通量密度B,測量管內徑d與平均流速V 的乘積。電動勢E(流量信號)由電極檢出并通過電纜送至轉換器。轉換器將流量信號放大處理后,可顯示流體流量,并能輸出脈沖,摸擬電流等信號,用于流量的控制和調節。
|
|
E=KBdV
式中: E――――為電極間的信號電壓(V)
B――――磁通密度(T)
d――――測量管內徑(m)
V――――平均流速(m/s)
式中K,d為常數,由于勵磁電流是恒流的,故B也是常數,則由E=KBdV可知,體積流量Q與信號電壓E成正比,即流速感應的信號電壓E與體積流量Q成線性關系。因此,只要測量出E就可確定流量Q,這就是電磁流量計的基本工作原理。
由E=KBdV可知,被測流體介質的溫度、密度、壓力、電導率、液固兩相流體介質的液固成分比等參數不會影響測量結果。至于流動狀態只要符合軸對稱流動(如層流或紊流)就不會影響測量結果的。因此說電磁流量計是一種真正的體積流量計。對于制造廠和用戶來說,只要用普通的水實際標定后就可測量其他任何導電流體介質的體積,而不需作任何修正,這是電磁流量計的一突出優點,是其他任何流量計所沒有的。測量管內無活動及阻流部件,因此幾乎沒有壓力損失,并具有很高的可靠性。 |
 |
|
產品選型 |
|
1、量程范圍確認
一般工業用電磁流量計被測介質流速發2~4m/s為宜,在特殊情況下,zui低流速應不小于0.1m/s,zui高不大于8m/s。若介質中含有固體顆粒,常用流速應小于3m/s,防止襯里和電極的過分磨擦;對于粘滯流體,流速可選擇大于2m/s,較大的流速有助于自動消除電極上附著的粘滯物的作用,有利于提高測量精度。在量程Q已確定的條件下,即可根據上述流速V的范圍決定流量計口徑D的大小,其值由下式計算:
|
|
|
Q:流量( /h)
D:管道內徑(m)
V:流速(m/h)
電磁流量計的量程Q應大于預計的量大流量值,而正常的流量值以稍大于流量計滿量程高刻度的50%為宜。
2、參考流量范圍 |
| 表2 |
| 通徑(mm) |
流量范圍( /h) |
通徑(mm) |
流量范圍( /h) |
| DN15 |
0.6~6.36 |
DN500 |
70.65~7065.00 |
| DN20 |
0.11~11.30 |
DN600 |
101.74~10173.60 |
| DN25 |
0.18~17.66 |
DN700 |
138.47~13847.40 |
| DN40 |
0.45~45.22 |
DN800 |
180.86~18086.40 |
| DN50 |
0.71~70.65 |
DN900 |
228.91~22890.60 |
| DN65 |
1.19~119.40 |
DN1000 |
282.60~28260.00 |
| DN80 |
1.81~180.86 |
DN1200 |
406.94~40694.40 |
| DN100 |
2.83~282.60 |
DN1600 |
723.46~72345.60 |
| DN200 |
11.30~1130.40 |
DN1800 |
915.62~91562.40 |
DN250
|
17.66~1766.25 |
DN2000 |
1130.40~113040.00 |
| DN300 |
25.43~2543.40 |
DN2200 |
1367.78~136778.40 |
| DN350 |
34.62~3461.85 |
DN2400 |
1627.78~162777.60 |
| DN400 |
45.22~4521.60 |
DN2600 |
1910.38~191037.60 |
| DN450 |
57.23~5722.65 |
|
|
|
| 3、襯里的選擇 |
| 表3 |
| 襯里材料 |
主要性能 |
zui高介質溫度 |
適用范圍 |
| 一體型 |
分離型 |
聚四氟乙烯
(F4) |
1、 是化學生能穩定的一種塑料,能耐沸騰地鹽酸、硫酸、硝酸和王水,也能耐濃堿和各種有溶劑。不耐三氟化**、高溫三氟化**、高速液氟、液氧、臭氧的腐蝕。
2、耐磨性能不如聚氨酯橡膠。
3、抗負壓能力不如聚**丁橡膠。 |
70℃ |
100℃
150℃(需
特殊訂貨)
|
1、濃酸、堿等腐蝕性介質
2、衛生類介質 |
| 聚全氟乙丙類烯(F46) |
|
同上 |
|
聚氟合乙烯
(Fs) |
適用溫度上限較聚四氟
乙烯低,但成本也較低。 |
70℃ |
80℃ |
|
| 聚**丁橡膠 |
1、有的彈性,高度的扯斷力,耐磨性能好。
2、耐一般低濃度酸、堿、鹽介質腐蝕,不耐氧化性介質的腐蝕。 |
80℃
120℃(需特
殊訂貨) |
水、污水、弱磨損性的泥漿礦漿 |
| 聚氨酯橡膠 |
1、耐磨性能極強
2、耐腐蝕性能較差 |
80℃ |
中性強磨損的礦漿、煤 |
| 4、電極材質的選擇 |
| 表4 |
| 電極材料 |
耐蝕及耐磨性能 |
不銹鋼
0CR18NI12MO2TI |
用于工業用水、生活用水、污水等具有弱腐蝕性的介質,適用于石油、化工、鋼鐵等工業部門及市政、環保等領域。 |
| 哈氏合金B |
對沸點以下的一切濃度的鹽酸有良好的耐蝕性,也耐硫酸、磷酸、氫氟酸、有機酸等非**化性酸、堿,非氧化性鹽液的腐蝕。 |
| 哈氏合金C |
能耐非氧化性酸,如硝酸、混酸、或鉻酸與硫酸的混合介質的腐蝕,也耐氧化性鹽類如Fe+++、Cu++下或含其他******的腐蝕,如高于常溫的次**酸鹽液、海水的腐蝕。 |
| 鈦 |
能耐海水、各種**化物和次**酸鹽、氧化性酸(包括發煙硫酸)、有機酸、堿的腐蝕。不耐較純的還原性酸(如硫酸、鹽酸)的腐蝕,但如酸中含有******(如硝酸、Fe+++、Cu++)時,則腐蝕大為降低。 |
| 鉭 |
具有優良的耐蝕性,和玻璃很相似。除了氫氟酸、發煙硫酸、堿外,幾乎能耐一切化學介質(包括沸點的鹽酸、硝酸和150℃的硫酸)的腐蝕。在堿中不耐蝕。 |
| 鉑/銥合金 |
幾乎能耐一切化學介質,但不適用于王水和銨鹽。 |
| 不銹鋼涂覆碳化鎢 |
用于無腐蝕性,強磨損性的介質。 |
| 注:由于介質種類繁多,其腐蝕性又受溫度、濃度、流速等復雜因素影響而變化,故本表僅供參考,用戶應根據實際情況自己做出選擇,必要時應傾向擬選材料的耐腐試驗,如掛片試驗。 |
|
產品選型
|
| PN-LXD- |
電磁流量計 |
| 口徑(mm) |
代號 |
口徑(mm) |
流量范圍( /h) |
|
代號 |
口徑(mm) |
流量范圍( /h) |
| D10 |
10 |
0.06~2.3 |
D150 |
150 |
15~510 |
| D15 |
15 |
0.15~5.1 |
D200 |
200 |
27~904 |
| D25 |
25 |
0.4~14 |
D250 |
250 |
42~1416 |
| D32 |
32 |
0.7~23 |
D300 |
300 |
61~2040 |
| D40 |
40 |
1~36 |
D350 |
350 |
83~2776 |
| D50 |
50 |
1.7~57 |
D400 |
400 |
109~3624 |
| D80 |
80 |
4~145 |
D500 |
500 |
170~5664 |
| D100 |
100 |
7~226 |
D600 |
600 |
245~8152 |
| 介質溫度 |
T0 |
0~80℃
|
| T1 |
0~120℃
|
| T2 |
0~180℃
|
| 襯里材料 |
F0 |
聚氨脂≤80℃中性礦漿、泥漿、煤漿
|
| F1 |
耐磨橡膠≤60℃一般酸、堿、鹽介質
|
| F2 |
聚四氟乙烯≤180℃濃度較大酸、堿、鹽介質
|
| F3 |
改性聚氨脂≤120℃中性漿液
|
| 電極材料 |
K1 |
316L
|
| K2 |
哈氏
|
| K3 |
鈦材/鉭材
|
| K4 |
碳化物(耐磨)
|
| 工作壓力 |
P1 |
2.5MPa 全系列口徑
|
| P2 |
6.4MPa 口徑≤150
|
| P3 |
16MPa 口徑≤150
|
| P4 |
25MPa 口徑≤150
|
| P5 |
35MPa 口徑≤150
|
| 連接方式 |
C0 |
法蘭式
|
| C1 |
法蘭夾裝式
|
| 轉換器結構 |
E1 |
一體式智能表頭
|
| E2 |
分體式智能表頭,注:信號線長度應注明
|
| 供電電壓 |
H0 |
220VAC
|
| H1 |
24VDC
|
| 輸出類型 |
G1 |
4~20mA
|
| G2 |
1~5V
|
| G3 |
Rs485
|
| 防爆類型 |
N |
普通型
|
| D |
隔爆型(供電應選24VDC)
|
| ↓ |
| PN-LXD - D25 T0 K1 P1 C0 E1 H1 G1 D 型號舉例 |
|
| |
產品選型
|
|
1、DN15~DN150一體型和傳感外形圖
|
 |
外形尺寸和重量 表6
|
公稱通徑
DN |
L |
W |
H |
參考重量kg |
| 一體型 |
傳感器 |
| 15 |
200 |
140 |
174 |
10 |
7 |
| 20 |
200 |
140 |
174 |
12 |
9 |
| 25 |
200 |
140 |
174 |
14 |
11 |
| 40 |
200 |
176 |
210 |
16 |
13 |
| 50 |
200 |
176 |
210 |
17 |
14 |
| 65 |
200 |
214 |
250 |
25 |
22 |
| 80 |
200 |
214 |
250 |
29 |
26 |
| 100 |
250 |
230 |
312 |
31 |
28 |
| 150 |
300 |
230 |
370 |
41 |
38 |
|
| |
|
法蘭尺寸(標準:GB/T9119) 表7
|
公稱通徑
DN |
壓力1.6MPa |
壓力4.0MPa |
| D |
d1 |
d0 |
n |
b |
D |
d1 |
d0 |
n |
b |
| 15 |
95 |
65 |
14 |
4 |
16 |
95 |
65 |
14 |
4 |
16 |
| 20 |
105 |
75 |
14 |
4 |
18 |
105 |
75 |
14 |
4 |
18 |
| 25 |
110 |
85 |
14 |
4 |
18 |
110 |
85 |
14 |
4 |
18 |
| 40 |
150 |
110 |
18 |
4 |
20 |
150 |
110 |
18 |
4 |
20 |
| 50 |
165 |
125 |
18 |
4 |
20 |
165 |
125 |
18 |
4 |
20 |
| 65 |
185 |
145 |
18 |
4 |
20 |
185 |
145 |
18 |
8 |
22 |
| 80 |
200 |
160 |
18 |
8 |
22 |
200 |
160 |
18 |
8 |
22 |
| 100 |
220 |
180 |
18 |
8 |
22 |
235 |
190 |
22 |
8 |
26 |
| 150 |
285 |
240 |
22 |
8 |
24 |
300 |
250 |
26 |
8 |
28 |
|
| |
| 2、DN200~DN600一體型和傳感外形圖 |
外形尺寸和重量 表8 |
|
|
公稱通徑
DN |
L |
H
φ~
|
參考重量
㎏ |
| 200 |
350 |
310 |
45 |
| 250 |
450 |
358 |
50 |
| 300 |
500 |
410 |
60 |
| 350 |
550 |
465 |
145 |
| 400 |
600 |
515 |
180 |
| 450 |
600 |
564 |
215 |
| 500 |
600 |
614 |
245 |
| 600 |
600 |
722 |
335 |
|
| 法蘭尺寸(標準:GB/T9119) |
表9
|
公稱通徑
DN |
壓力1.6MPa |
壓力4.0MPa |
| D |
d1 |
d0 |
n |
b |
D |
d1 |
d0 |
n |
b |
| 200 |
340 |
295 |
22 |
12 |
26 |
340 |
295 |
22 |
8 |
24 |
| 250 |
405 |
355 |
26 |
12 |
28 |
395 |
350 |
22 |
12 |
26 |
| 300 |
460 |
410 |
26 |
12 |
32 |
445 |
400 |
22 |
12 |
28 |
| 350 |
520 |
470 |
26 |
16 |
35 |
550 |
460 |
22 |
16 |
30 |
| 400 |
580 |
525 |
30 |
16 |
38 |
565 |
515 |
26 |
16 |
32 |
| 450 |
640 |
585 |
30 |
20 |
42 |
615 |
565 |
26 |
20 |
35 |
| 500 |
715 |
650 |
33 |
20 |
46 |
670 |
620 |
26 |
20 |
38 |
| 600 |
840 |
770 |
36 |
20 |
52 |
780 |
725 |
30 |
20 |
42 |
|
| 3、 DN700~DN2600傳感器外形圖 |
|
| |
法蘭尺寸 (標準:GB/T9119) 表10 |
 |
公稱通徑
DN |
壓力
MPa |
D |
d1 |
d0 |
n |
b |
| 700 |
|
895 |
840 |
30 |
24 |
30 |
| 800 |
1015 |
950 |
33 |
24 |
32 |
| 900 |
1115 |
1050 |
33 |
28 |
34 |
| 1000 |
1230 |
1160 |
36 |
28 |
34 |
| 700 |
|
860 |
810 |
26 |
24 |
26 |
| 800 |
975 |
920 |
30 |
24 |
26 |
| 900 |
1075 |
1020 |
30 |
24 |
26 |
| 1000 |
1175 |
1120 |
30 |
28 |
26 |
| 1200 |
1405 |
1340 |
33 |
32 |
28 |
| 1400 |
1630 |
1560 |
36 |
36 |
32 |
| 1600 |
1830 |
1760 |
36 |
40 |
34 |
| 1800 |
2045 |
1970 |
39 |
44 |
36 |
| 2000 |
2265 |
2180 |
42 |
48 |
38 |
| 2200 |
2475 |
2390 |
42 |
52 |
42 |
| 2400 |
2685 |
2600 |
42 |
56 |
44 |
| 2600 |
2905 |
2810 |
48 |
60 |
46 |
|
| 外形尺寸和重量 表11 |
公稱通徑
DN |
L |
H
φ~
|
參考重量
㎏ |
公稱通徑
DN |
L |
H
φ~
|
參考重量
㎏ |
| 700 |
700 |
836 |
435 |
1600 |
1600 |
1736 |
1555 |
| 800 |
800 |
936 |
545 |
1800 |
1800 |
1960 |
2085 |
| 900 |
900 |
1036 |
655 |
2000 |
2000 |
2160 |
2610 |
| 1000 |
1000 |
1136 |
810 |
2200 |
2200 |
2364 |
3210 |
| 1200 |
1200 |
1336 |
875 |
2400 |
2400 |
2564 |
3910 |
| 1400 |
1400 |
1536 |
1235 |
2600 |
2600 |
2764 |
4510 |
|
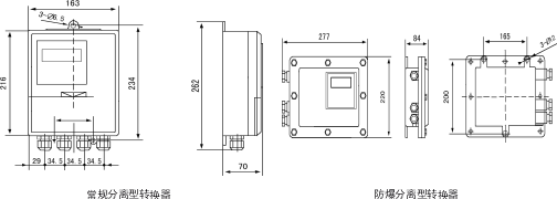
| 4、分離型轉換器外形圖 |
|
|
|
|
|
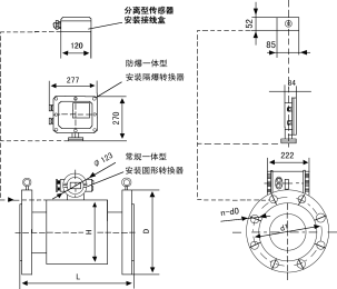
| 產安裝與使用
1、對外部環境的要求
a、流量計應避免安裝在溫度變化很大或受到設備高溫輻射的場所,若必須安裝時,須有隔熱、通風的措施。
b、流量計安裝在室內,若必須安裝于室外,應避免雨水淋澆,積水受淹及太陽曝曬,須有防潮和防曬措施。
c、流量計應避免安裝在含有腐蝕性氣體的環境中,必須安裝時,須有通風措施。
d、為了安裝、維護、保養、方便,在流量計周圍需有充實的安裝空間。
e、流量計安裝場所應避免有強磁場及強振動源,如管道振動大,在流量計兩邊應有固定管道的支座。
2、對直管段的要求
為了改善渦流與流場畸變的影響,流量計安裝的前、后直管段長度有一定要求,否則會影響測量精度(也可安裝整流器,盡量避免在靠近調節閥和半開閥門之后安裝)。
|
| 管道安裝類型 |
安裝示意圖 |
標準管道式 |
| 前直管道L |
后直管道S |
| 水平管 |
圖a |
5D |
3D |
| 彎管 |
圖b |
10D |
5D |
| 擴口管 |
圖c |
10D |
5D |
| 閥門下游 |
圖d |
10D |
5D |
| 收縮管 |
圖e |
5D |
2D |
| 汞下游 |
圖f |
15D |
5D |
| 混合液 |
圖g |
30D |
3D |
|
3、對工藝管的要求
流量計對安裝點的上、下游工藝管有一定的要求,否則影響測量精度。
a、上、下游工藝管的內徑與傳感器的內徑相同,并應滿足:0.98DN≤D≤1.05DN (式中DN:傳感器內徑,D:工藝管內徑)
b、工藝管與傳感器必須同心,同軸偏差應不大于0.05DN
4、旁通管的要求
為了方便檢修流量計,為流量計安裝旁通管,另外,對重污染流體及流量計需清洗而流體不能停止的,必須安裝旁通管。 |
|
|
|
a、 方便流量計的檢修
b、 對重污染流體必須安裝
c、流體不能停止而流量計需清洗
5、流量計在管線上的安裝要求 |
|
|
|
|
6、傳感器的接地
為了使儀表可靠的工作,提高測量精度,不受外界寄生電勢的干擾,傳感器應有良好的單獨接地線,接地電阻<10Ω。在連接傳感器的管道內若涂有絕緣層或是非金屬管道時,傳感器兩側還應加裝接地環。
a、在金屬管道上的接地方式:金屬管道內避沒有絕緣層,按下圖接地。
|
|
|
| b、在塑料管道上或有絕緣層、油漆管道上的接地方式:傳感器上的兩端面應加裝接地環,使管內流動的被測介質與大地短接,具有零電位。否則,電磁流量計無法正常工作。(見下圖) |
|
|
|
7、傳感器在陰極保護管道上的安裝
防護電解腐蝕的管道通常在其內壁和外壁是絕緣的,因此被介質沒有接地電位。所以,傳感器必須使用接地環。具有陰極防腐蝕保護的管道,傳感器與兩側連接管道之間常是絕緣的,所以介質對地是不導通的,安裝時要注意下列各點:
a、接地環要裝在傳感器的兩端面上,他們必須與工藝管道的法蘭絕緣,通過接地線2與傳感器相連,接地環的材質應能耐介質的腐蝕,制造廠通常提供的標準材料是不銹鋼(1Cr18Ni9Ti)
b、儀表兩側工藝管的法蘭應該用截面積為4mm2的銅導線繞過傳感器相連,使陰極保護電位與傳感器之間隔離。必須要注意,不要連接到傳感器上去。
c、法蘭連接螺栓必須與工藝管道的法蘭絕緣,用戶必須自備絕緣材料制造的襯套和墊圈。詳見下圖示意。 |
|
 |
| 8、電磁流量計的搬運 |
|
|
9、流量計安裝時注意事項
a、安裝尺寸一定要計算準確,否則容易泄露或安裝不上。
b、流體流向必須與傳感器表面上的流向箭頭保持一致。
c、流量計的電極軸線必須近似水平,否則影響測量精度。
d、傳感器兩邊的法蘭必須保持平行否則容易泄露。
e、為了避免在安裝后形成旋渦流動,應保證工藝配管、密封件、流量計同軸連接不能錯開。
f、安裝流量計時,嚴禁在緊靠流量計法蘭處電焊施工,以免燒傷流量計襯里。
g、對不同性質的工藝管道,應采用相應的接地方式(見傳感器接地)。
h、對于腐蝕性介質,應垂直安裝,被測介質自下往上流動,這樣可以避免固體顆粒在流量計管道中沉積,使襯里腐蝕均勻,延長使用壽命。
i、對于測量管口徑大于200mm,為了方便,可采用伸縮頭 |
|
接線指南 |
|
|
|
|
|
|
 |
|
|
 |
圓表各接線端子標示含義如下:
I+:流量電流輸出 COM:報警輸出地
COM:電流輸出地 FUSE:輸入電源保險絲
P+:雙向流量頻率(脈沖)輸出 T1+:通訊輸入
COM:頻率(脈沖)輸出地 T2-:通訊輸入
Al:下限報警輸出 L1:220V(24V)電源輸入
Ah:上限報警輸出 L2:220V(/24V)電源輸入
4、圓表信號線的處理與標示 |
|
|
|
注:分體式流量計傳感器與轉換器連接電纜盡可能短,不要將多余的電纜卷在一起。
連接電纜不能與其他電纜線,如變壓器、電動機及其它力電纜裝一起,其距離至少大于1m。
連接電纜不能在中途斷開或短路也不能改變訂貨要求長度。
電纜布線應盡量避免干擾源。 |
|
|
|
|
本頁產品地址:http://m.521uz.com/sell/show-1341.html

免責聲明:以上所展示的[
電磁流量計]信息由會員[
江蘇普能儀表有限公司]自行提供,內容的真實性、準確性和合法性由發布會員負責。
[給覽網]對此不承擔任何責任。
友情提醒:為規避購買風險,建議您在購買相關產品前務必確認供應商資質及產品質量!